Перейти к содержимому
Войти

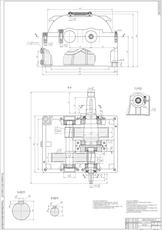
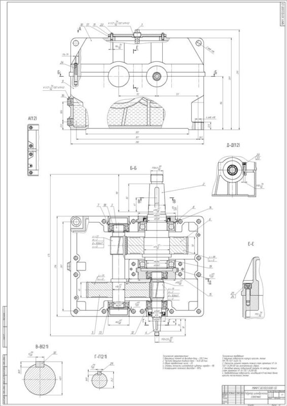
Двухступенчатый соосный цилиндрический редуктор привода пластинчатого конвейера uобщ-20

0
1
47
0
0
100

МЭИ
Курсовой проект по дисциплине детали машин
На тему: привод пластинчатого конвейера
Москва 2026

Тип электродвигателя 4А100 4У3, мощность электродвигателя P1=4кВт, частота вращения вала двигателя n1=1430об/мин, частота вращения ведущего вала конвейера nв=20об/мин, срок службы 36000ч.
СОДЕРЖАНИЕ
Введение....................................................................................................................................................5
1. Кинематический и силовой расчет привода.................................................6
2. Проектировочные и проверочные расчеты механических передач.....................................................................................................................................................10
2.1. Проектировочный расчет цилиндрической передачи
быстроходной ступени редуктора.............................................................................10
2.2. Проектировочный расчет цилиндрической передачи тихоходной ступени редуктора....................................................................................16
2.3. Проектировочный расчет зубчатой передачи.........................22
3. Проектирование валов редуктора, выбор муфт...................................28
4. Расчёт подшипников на заданный ресурс...................................................51
5. Уточненный расчет тихоходного вала..........................................................56

Состав привода:
1. Электродвигатель
2. Упругая муфта
3. Соосный редуктор
4. Упругая предохранительная муфта
5. Открытая зубчатая передача
6. Конвейер

Литературы нет, т.к все расчеты нам просто давал преподаватель, нечего по сути писать в литературу, ну и нам не надо было. Второй чертеж это улучшенная версия без изменения параметров передач, тоже по заданию было


Сообщить о проблеме
Автор
user-avatar Настя п
Дата
23.04.2026
Язык
Русский
Состав
Редуктор 2D (СБ), вторая версия редуктора 2D (СБ), спецификация (СП), пояснительная записка 59 листов (расчеты).
Софт
КОМПАС-3D 23 Как открыть?
Отзывов пока нет
Задать вопрос
Содержимое архива
  • icon-kdw Пояснительная записка ПЗ.kdw
  • icon-pdf Пояснительная записка ПЗ.pdf
  • icon-png Привод.png
  • icon-cdw Редуктор цилиндрический соосный _ МИФТ.303122.000 СБ.cdw
  • icon-pdf Редуктор цилиндрический соосный _ МИФТ.303122.000 СБ.pdf
  • icon-cdw Редуктор цилиндрический соосный СБ.cdw
  • icon-pdf Редуктор цилиндрический соосный СБ.cdw.pdf
  • icon-pdf Спецификация СП.pdf
  • icon-spw Спецификация СП.spw
  • icon-png редуктор.png
Чтобы скачать чертеж, 3D модель или проект, Вы должны зарегистрироваться и принять участие в жизни сайта. Посмотрите, как тут скачивать файлы
Отзывов пока нет
Чтобы оставить отзыв, необходимо войти
Войти с помощью:

Используя функцию входа через сторонние сервисы, Вы соглашаетесь на обработку персональных данных в соответствии с Политикой конфиденциальности