Перейти к содержимому
Войти

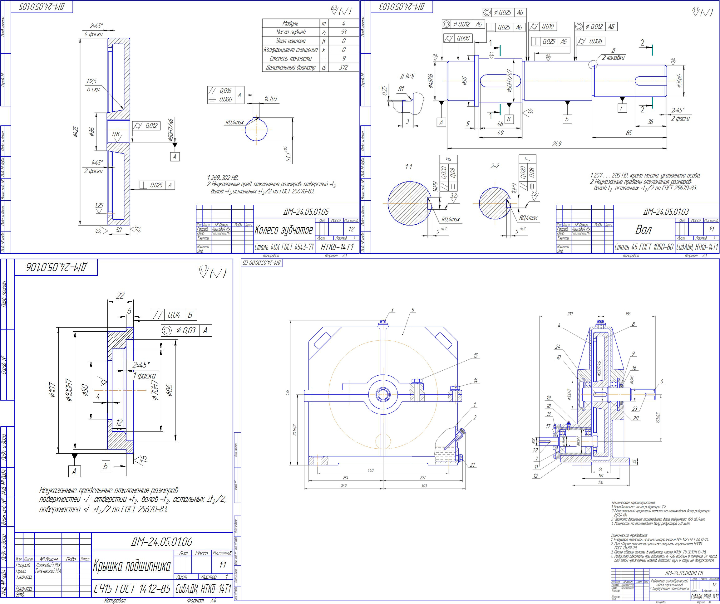
Привод ленточного транспортера uред=7.2

0
89
765
3
0
50

Сибирская государственная автомобильно-дорожная академия
Кафедра механика
Курсовой проект по дисциплине "Детали машин и основы конструирования"
На тему: "Расчет редуктора"
Омск 2015

окружная сила = 4 кН,окружная скорость = 0,7 м/с,диаметр барабана, Dб = 400 мм.
Содержание:
1. Кинематический расчет привода и выбор электродвигателя
2. Расчет цилиндрической зубчатой передачи
3. Расчет передач с зубчатой цепью
4. Расчет вала на статическую прочность
5. Расчет валов на выносливость
6. Выбор шпонок
7. Выбор подшипников качения
8. Выбор стандартной муфты
9. Выбор смазочного материала
Список использованной литературы


Сообщить о проблеме
Автор
user-avatar Mihail NST
Дата
16.11.2016
Язык
Русский
Состав
ПЗ,Редуктор цилиндрический одноступенчатый с внутренним зацеплением(СБ),Вал,Колесо,Крышка подшипника,Спецификация
Софт
КОМПАС-3D 15 Как открыть?
Отзывов пока нет
Задать вопрос
Содержимое архива
  • icon-cdw
    Koleso.cdw
  • icon-cdw
    Kryshka_podshipnika.cdw
  • icon-cdw
    Sborochny.cdw
  • icon-spw
    Spetsifikatsia.spw
  • icon-cdw
    Val.cdw
  • icon-doc
    Zapiska.docx
Чтобы скачать чертеж, 3D модель или проект, Вы должны зарегистрироваться и принять участие в жизни сайта. Посмотрите, как тут скачивать файлы
Отзывов пока нет
Чтобы оставить отзыв, необходимо войти
Войти с помощью:

Используя функцию входа через сторонние сервисы, Вы соглашаетесь на обработку персональных данных в соответствии с Политикой конфиденциальности