Перейти к содержимому
Войти

Проектирование одноступенчатого конического редуктора u=4

0
1
112
3
0
30

Торайгыров университет
Факультет инженерии
Кафедра «Машиностроение и стандартизация»
Образовательная программа Машиностроение
Курсовой проект по дисциплине "Детали машин и основы конструирования"
на тему : Проектирование одноступенчатого конического редуктора
Павлодар 2023 г.

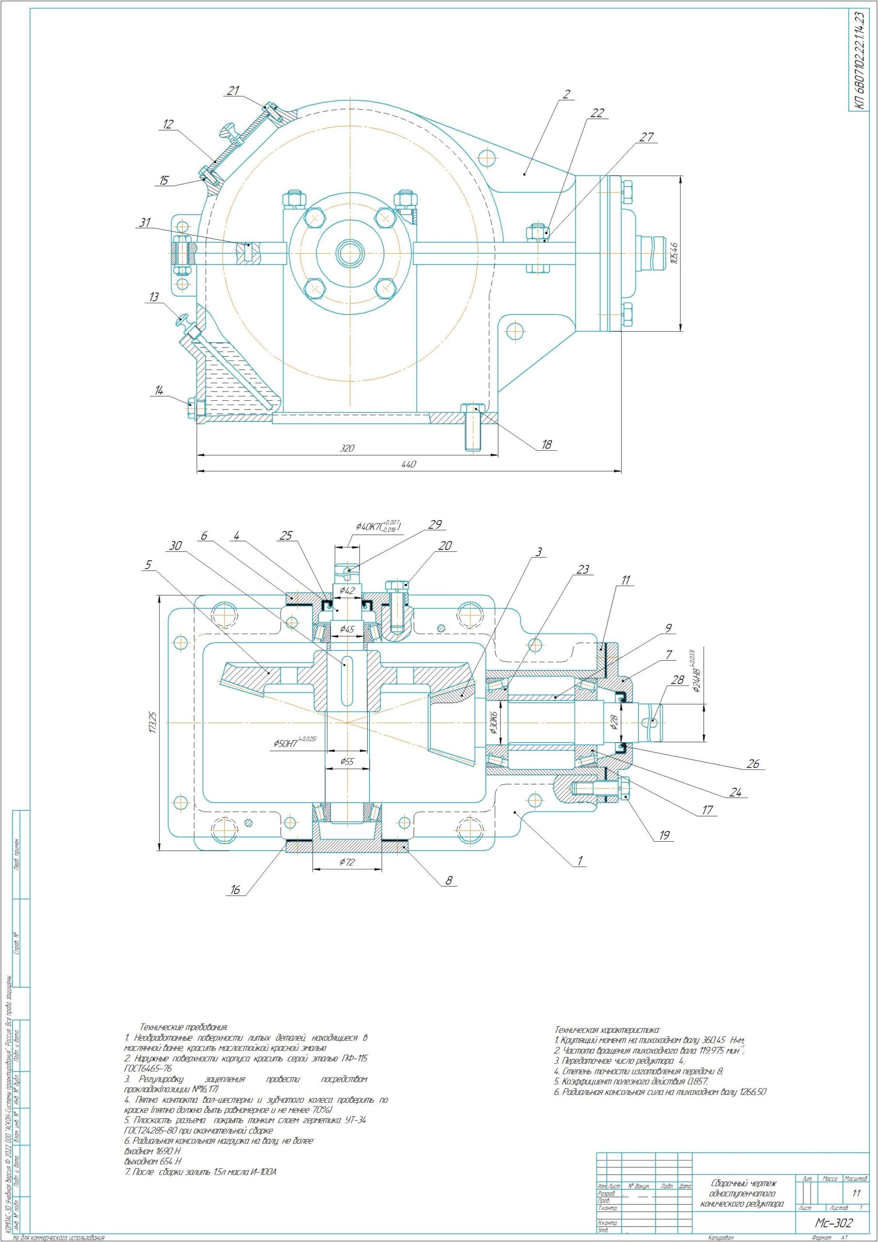
Проектирование одноступенчатого конического редуктора
Тяговая сила цепи F= 1.0кН
Скорость ленты v=0.8 м/с
Диаметр барабана D=250 мм
Угол наклона цепной передачи 30 град.
Срок службы - 4 года

Введение 4
1 Исходные данные к проекту 2 5
2 Выбор электродвигателя и кинематический расчет 6
3 Расчет зубчатых колес редуктора 8
4 Предварительный расчет валов редуктора 13
5 Конструктивные размеры шестерни, колеса и корпуса редуктора 14
6 Расчет параметров цепной передачи 15
7 Первый этап компоновки 17
8 Проверка долговечности подшипников 19
9 Выбор сорта масла 24
Заключение 25
Список использованных источников 26
Приложение А 27


Сообщить о проблеме
Автор
user-avatar Silverbullet
Дата
30.05.2023
Язык
Русский
Состав
Сборочный чертеж (СБ), Спецификация, ПЗ
Софт
КОМПАС-3D 19.1 Как открыть?
Отзывов пока нет
Задать вопрос
Содержимое архива
  • icon-cdw 15.1.cdw
  • icon-cdw SPECIFIC1.cdw .cdw
  • icon-cdw SPECIFIC2.cdw
  • icon-doc Проектирование одноступенчатого конического редуктора.docx
Чтобы скачать чертеж, 3D модель или проект, Вы должны зарегистрироваться и принять участие в жизни сайта. Посмотрите, как тут скачивать файлы
Отзывов пока нет
Чтобы оставить отзыв, необходимо войти
Войти с помощью:

Используя функцию входа через сторонние сервисы, Вы соглашаетесь на обработку персональных данных в соответствии с Политикой конфиденциальности