Перейти к содержимому
Войти

Проектирование привода с одноступенчатым червячным редуктором

0
197
1762
9
0
100

Барановичский Государственный университет
Кафедра общенаучных дисциплин
курсовой проект по дисциплине "Детали машин и ПТМ"
На тему "Проектирование привода с одноступенчатым червячным редуктором"
Барановичи 2014

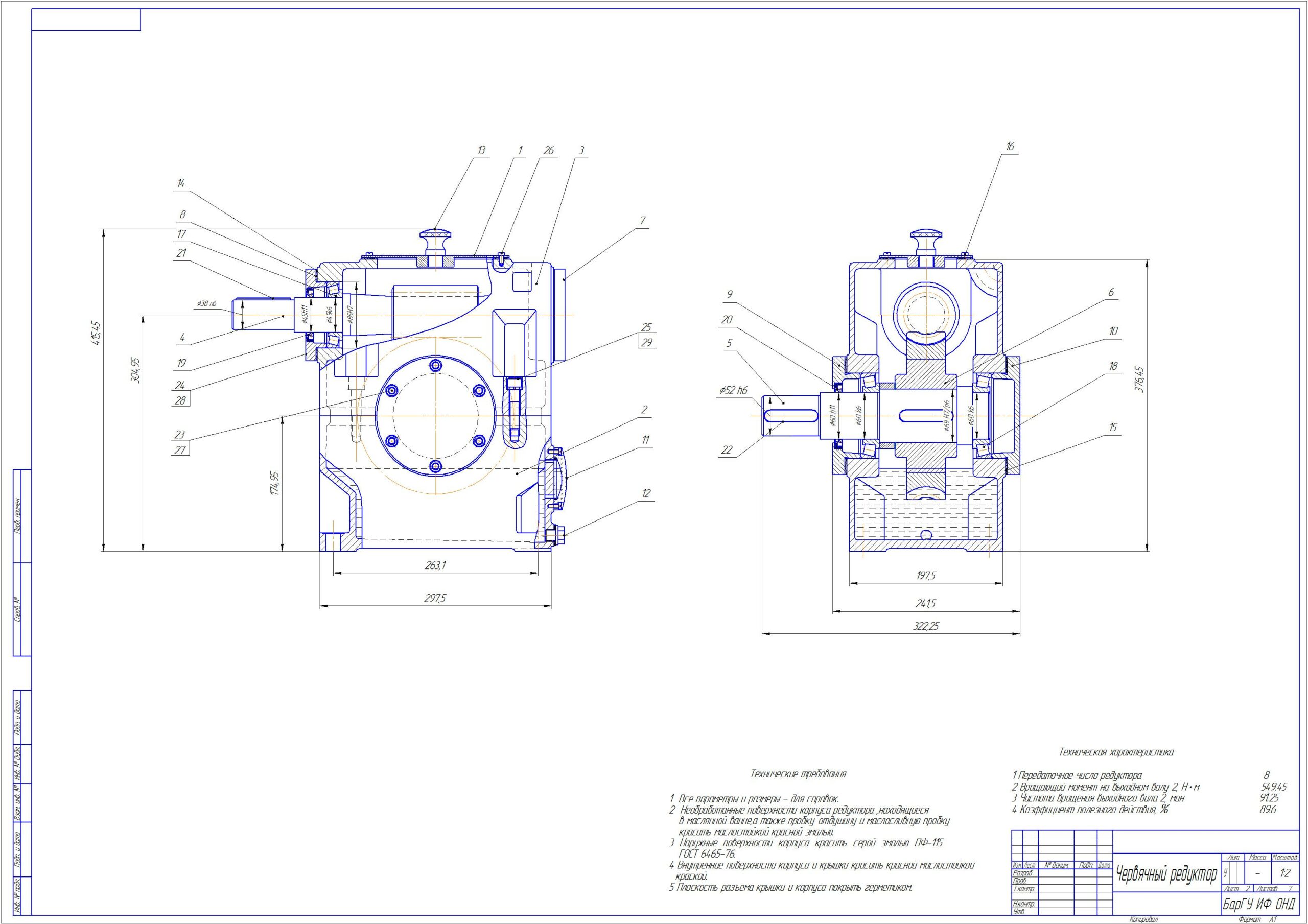
Проектируемый привод состоит из электродвигателя, одноступенчатого червячного редуктора, входной вал которого соединен с электродвигателем по средствам муфты упругой со звездочкой, и цепной передачи, соединенной с выходным валом редуктора.
В ходе курсового проекта выполнен кинематический и силовой расчета привода, расчет передач, расчет и конструирование валов, расчет шпоночных соединений, расчет и конструирование подшипниковых узлов, конструирование зубчатых колес и звездочек, конструирование корпусных деталей (стаканов и крышек), смазывание зацеплений, выбор и проверочный расчет муфты, конструирование рамы, выбор посадок и прочее.

Курсовая работа: 52 с., 4 рис., 5 табл., 11 источников, 2 листа формата А1, 1 листа формата А2, 2 листа формата А3

1 Передаточное число редуктора ......................................... 8
2 Вращающий момент на выходном валу 2, Н·м ............. 549.45
3 Частота вращения выходного вала 2, мин .................. 91.25
4 Коэффициент полезного действия, % ......................... 89.6
6 Двигатель 4А160S8У3 ГОСТ 19523-81
7 Мощность, кВт. ................................................................ 7,5
8 Частота вращения, мин .....................................................730
9 Общее передаточное число привода ........................... 11.76
10 Коэффициент полезного действия ................................72,3


Сообщить о проблеме
Дата
04.05.2015
Язык
Русский
Состав
Вал, Вал1, Крышка корпуса, Крышка подшипника, Червячный редуктор, Колесо, Общий вид, Рама, Спецификация к ВО, Спецификация к СБ, ПЗ
Софт
КОМПАС-3D 15 Как открыть?
Отзывов пока нет
Задать вопрос
Содержимое архива
    • icon-cdw Вал.cdw
    • icon-cdw Вал1.cdw
    • icon-cdw Крышка корпуса.cdw
    • icon-cdw Крышка подшипника.cdw
    • icon-doc ПЗ.docx
    • icon-spw Спецификация к ВО .spw
    • icon-spw Спецификация к СБ .spw
    • icon-cdw Червячный редуктор сб.cdw
    • icon-cdw Чертеж колесо1.cdw
    • icon-cdw Чертеж общий вид.cdw
    • icon-cdw Чертеж рама.cdw
Чтобы скачать чертеж, 3D модель или проект, Вы должны зарегистрироваться и принять участие в жизни сайта. Посмотрите, как тут скачивать файлы
Отзывов пока нет
Чтобы оставить отзыв, необходимо войти
Войти с помощью:

Используя функцию входа через сторонние сервисы, Вы соглашаетесь на обработку персональных данных в соответствии с Политикой конфиденциальности