Перейти к содержимому
Войти

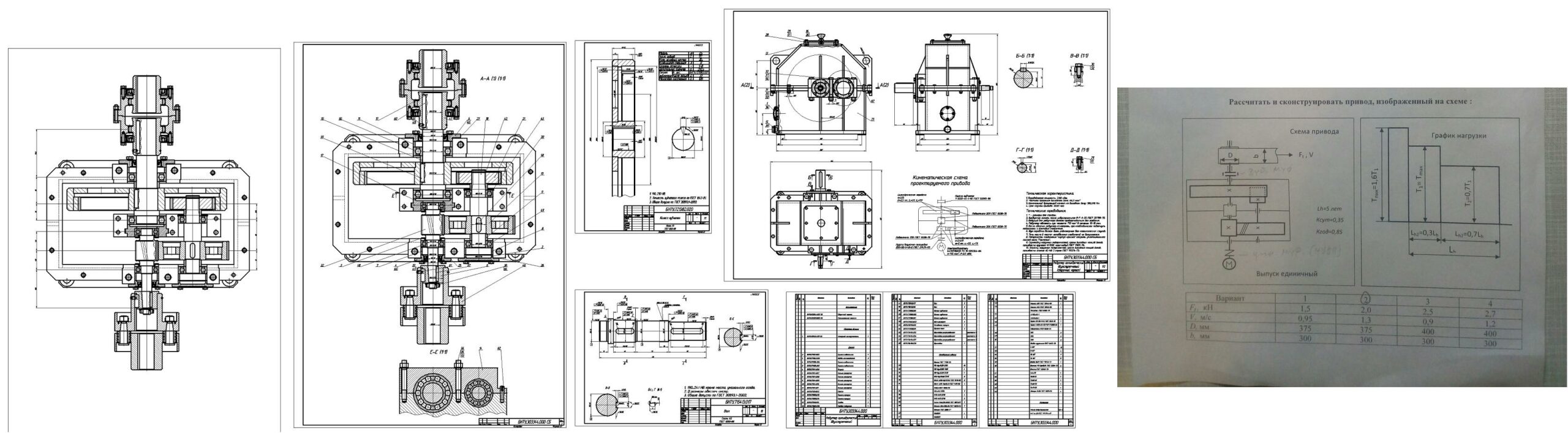
Редуктор двухступенчатый цилиндрический Ft=2 кН, V=1,3 м/с, D=375 мм, b=300 мм.

0
5
706
0
0
80

БЕЛОРУСКИЙ НАЦИОНАЛЬНЫЙ ТЕХНИЧЕСКИЙ УНИВЕРСИТЕТ
Факультет «Машиностроительный»
Кафедра «Детали машин, подъемно-транспортные машины и механизмы»
КУРСОВОЙ ПРОЕКТ
по дисциплине “Детали машин”
Тема: Редуктор двухступенчатый

Исходные данные к проекту: Ft=2 кН, V=1,3 м/с, D=375 мм, b=300 мм.
СОДЕРЖАНИЕ
Введение 4
1. Кинематический расчет и выбор электродвигателя 5
2. Определение мощностей и передаваемых крутящих моментов 7
3. Расчет передач 8
3.1 Расчет цилиндрической косозубой передачи первой ступени 8
3.2 Расчет цилиндрической прямозубой передачи второй ступени 14
4. Предварительный расчет диаметров валов редуктора 19
5. Подбор и проверочный расчет муфт 20
5.1 Выбор упругой муфты для соединения вала электродвигателя со входным валом редуктора 20
5.2 Выбор жестко-компенсирующей муфты для соединения выходного вала редуктора с валом рабочего органа 21
6. Предварительный подбор подшипников 22
7. Компоновочная схема и выбор способа смазывания передач и подшипников 23
8. Расчет валов в опасных сечениях (по эквивалентному моменту) 26
8.1 Быстроходный вал 27
8.2 Промежуточный вал 30
8.3 Тихоходный вал 33
9. Подбор подшипников по динамической грузоподъёмности 36
9.1 Быстроходный вал 36
9.2 Промежуточный вал 37
9.3 Тихоходный вал 38
10. Подбор и проверочный расчет шпоночных и шлицевых соединений 39
11. Расчет валов на выносливость 40
11.1 Быстроходный вал 40
11.2 Промежуточный вал 41
11.3 Тихоходный вал 42
12. Назначение посадок, шероховатостей поверхностей, выбор степеней точности и назначение допусков формы и расположения поверхностей 43
13. Сборка редуктора, регулировка подшипников и зацеплений 49
14. Описание монтажной схемы привода 51
Литература


Сообщить о проблеме
Автор
user-avatar leonidovi4
Дата
12.03.2018
Язык
Русский
Состав
Редуктор(СБ), Деталировка(вал, зубчатое колесо), Спецификация, ПЗ
Софт
AutoCAD 2017 Как открыть?
Отзывов пока нет
Задать вопрос
Содержимое архива
  • icon-dwg chertezhi.dwg
  • icon-font GOST.ttf
  • icon-doc zapiska_chast_1.doc
  • icon-dwg zapiska_chast_2.dwg
Чтобы скачать чертеж, 3D модель или проект, Вы должны зарегистрироваться и принять участие в жизни сайта. Посмотрите, как тут скачивать файлы
Отзывов пока нет
Чтобы оставить отзыв, необходимо войти
Войти с помощью:

Используя функцию входа через сторонние сервисы, Вы соглашаетесь на обработку персональных данных в соответствии с Политикой конфиденциальности