Перейти к содержимому
Войти

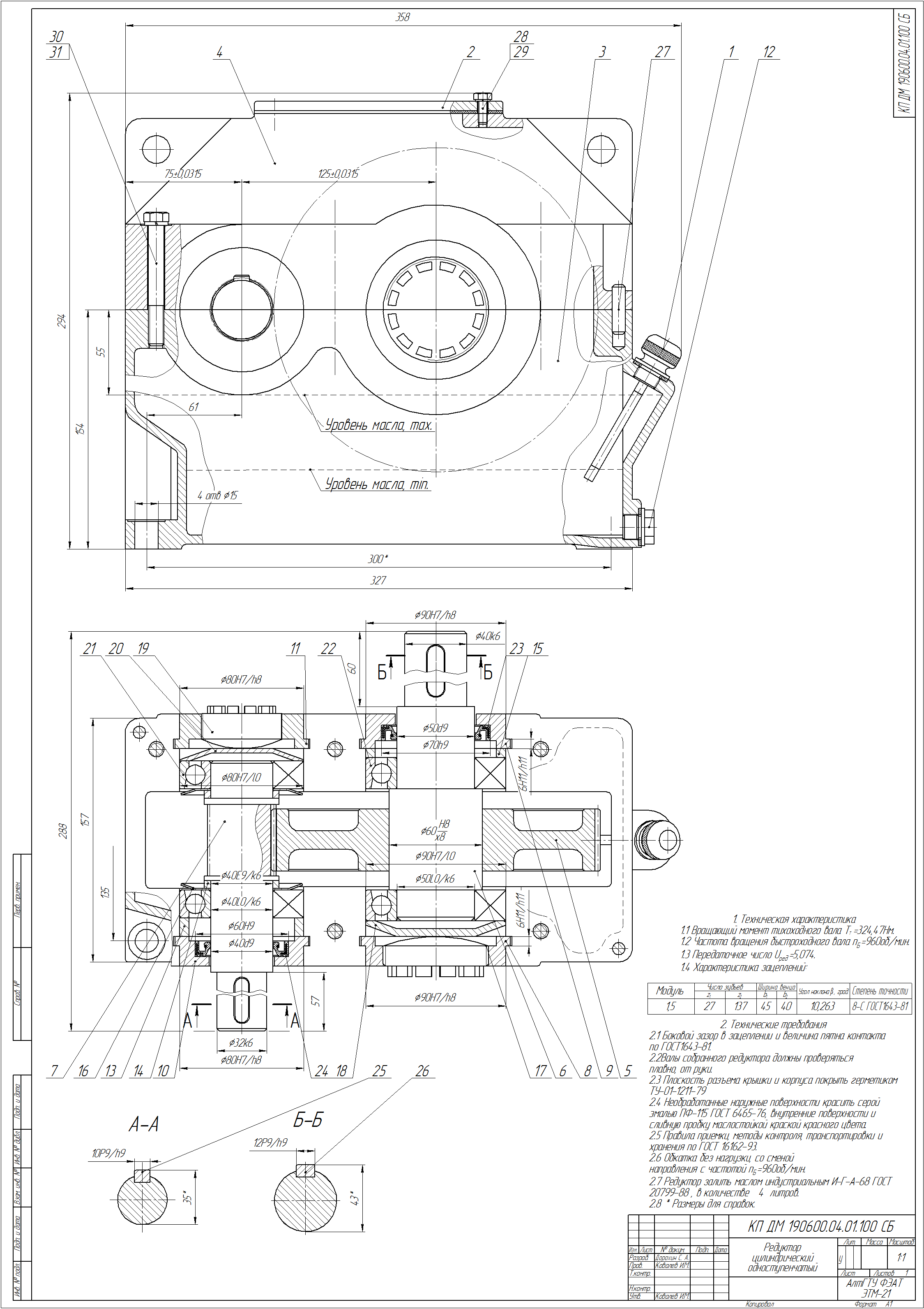
Редуктор одноступенчатый цилиндрический косозубый U = 2,59, Aw = 125

1
355
3161
20
0
20

Алтайский государственный технический университет имени И. И. Ползунова
Кафедра "Детали машин"
Курсовой проект по дисциплине "Детали машин и основы конструирования"
На тему: "Привод цепного транспортера"
Барнаул 2015

В рамках данного курсового проекта рассмотрены расчеты и проектирование привода общего назначения, который включает в себя одноступенчатый цилиндрический редуктор.
Графическая часть содержит сборочный чертеж редуктора и 2 чертежа деталировки редуктора (вал тихоходный, шестерня).
Курсовой проект содержит 1 лист формата А1, 1 лист формата А2, 1 лист формата А3, 1 спецификации, 32 страница пояснительной записки, титульный лист.
Разрабатываемый привод предназначен для промышленного применения в различных отраслях машиностроения.
Привод — совокупность устройств, предназначенных для приведения в действие машин. Состоит из двигателя, силовых передач и системы управления.
Силовая передача (трансмиссия) — совокупность сборочных единиц и механизмов, соединяющих двигатель с рабочим органом механизма или машины. Для передач вращательного движения различают передачи трения (ременные) и передачи зацепления (зубчатые, червячные, цепные и др.).

Техническая характеристика привода:
Редуктор цилиндрический двухступенчатый (u=2,59)
Частота вращения на выходном валу редуктора - 192 об/мин
Общее передаточное число привода - 19.44
Вращающий момент на выходном валу - 324,7 Нм

Техническая характеристика редуктора
1. Частота вращения быстроходного вала, об/мин 960
2. Общее передаточное число редуктора 2,59


Сообщить о проблеме
Автор
user-avatar Dark_Nir
Дата
23.04.2015
Язык
Русский
Состав
Состав: редуктор цилиндрический двухступенчатый (СБ), деталировка (вал, шестерня), спецификация на редуктор, ПЗ, титульный лист.
Софт
КОМПАС-3D 15 Как открыть?
Отзывов пока нет
Задать вопрос
Содержимое архива
  • icon-doc Пояснительная записка.docx
  • icon-doc Спецификация к редуктору.doc
  • icon-doc Титульный лист.doc
  • icon-cdw Чертеж А1.cdw
  • icon-cdw Чертеж вала А2.cdw
  • icon-cdw Чертеж колеса А3.cdw
Чтобы скачать чертеж, 3D модель или проект, Вы должны зарегистрироваться и принять участие в жизни сайта. Посмотрите, как тут скачивать файлы
Отзывов пока нет
Чтобы оставить отзыв, необходимо войти
Войти с помощью:

Используя функцию входа через сторонние сервисы, Вы соглашаетесь на обработку персональных данных в соответствии с Политикой конфиденциальности