Перейти к содержимому
Войти

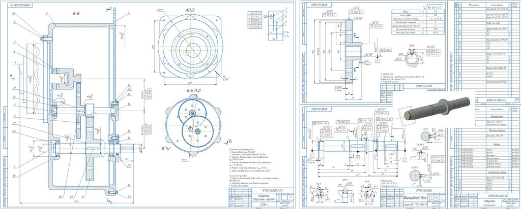
Редуктор цилиндрический двухступенчатый с двумя прямыми передаточными валами u=35.7

0
0
205
1
0
150

Казанский Национальный Исследовательский Технический Университет им. А.Н. Туполева – КАИ
Кафедра МиИГ
Курсовой проект по дисциплине «Прикладная механика»
вариант 63
На тему: "Разработка привода: подбор двигателя и проектирование редуктора"
Казань 2016

Разработать привод прибора со следующими техническими требованиями:
1. Вид движения выходного звена прибора – вращательный
2. Вращающий момент на выходе привода 65 Нм.
3. Частота вращения выходного звена привода 70 об/мин.
4. Срок службы 2000 часов.

Подобрать электродвигатель, разработать редуктор.
Графическая часть содержит общий чертеж редуктора, спецификацию, чертежи двух деталей.

Содержание:
Выбор схемы и предварительные расчеты
Подбор электродвигателя
Определение общего передаточного числа редуктора
Синтез редуктора
Вычисление начального межосевого расстояния
Определение размеров зубчатых колес
Силовой анализ
Определение предварительных диаметров цапф
Выбор подшипников качения для валов
Определение размеров ступиц
Поверочный расчет
Расчет выходного вала на изгиб с кручением
Подбор подшипников качения по долговечности
Расчет шпоночных соединений на срез и смятие
Определение шероховатости поверхности выходного вала
Расчет винтов крепления электродвигателя


Сообщить о проблеме
Автор
user-avatar aidhaid
Дата
07.06.2018
Язык
Русский
Состав
Редуктор(СБ), Деталировка (зубчатое колесо, выходной вал), спецификация, ПЗ
Софт
КОМПАС-3D 16.0.8 Как открыть?
Отзывов пока нет
Задать вопрос
Содержимое архива
  • icon-spw Spetsifikatsia.spw
  • icon-cdw Выходной вал.cdw
  • icon-m3d Деталь вал.m3d
  • icon-doc Пояснительная записка.docx
  • icon-cdw Чертеж2.cdw
  • icon-cdw зубчатое колесо.cdw
Чтобы скачать чертеж, 3D модель или проект, Вы должны зарегистрироваться и принять участие в жизни сайта. Посмотрите, как тут скачивать файлы
Отзывов пока нет
Чтобы оставить отзыв, необходимо войти
Войти с помощью:

Используя функцию входа через сторонние сервисы, Вы соглашаетесь на обработку персональных данных в соответствии с Политикой конфиденциальности