Перейти к содержимому
Войти

Муфта МУВП-10-2000

0
0
125
1
0
20

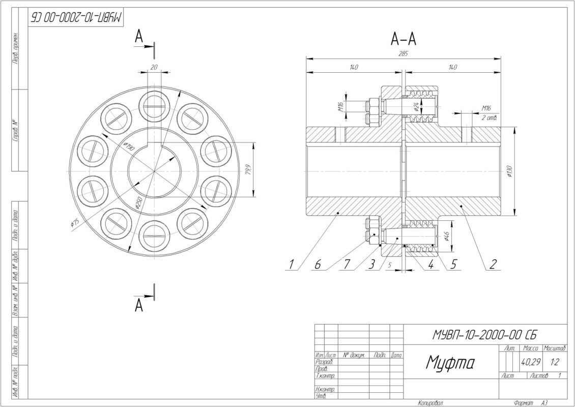
Муфта упругая втулочно-пальцевая МУВП-10-2000

Основные характеристики:
- посадочный диаметр первой полумуфты 75 мм;
- длина первой полумуфты 140 мм;
- посадочный диаметр второй полумуфты 75 мм;
- длина второй полумуфты 140 мм;
- диаметр ступицы 130 мм;
- наружный диаметр 250 мм;
- диаметр пальцев 24 мм;
- диаметр втулок 45 мм;
- количество пальцев и втулок - 10 шт.


Сообщить о проблеме
Дата
07.11.2025
Язык
Русский
Состав
3D модели деталей и сборка, сборочный чертеж, спецификация
Софт
КОМПАС-3D 22 Как открыть?
Отзывов пока нет
Задать вопрос
Содержимое архива
    • icon-a3d
      МУВП-10-2000-00 СБ Муфта.a3d
    • icon-cdw
      МУВП-10-2000-00 СБ Муфта.cdw
    • icon-jpg
      МУВП-10-2000-00 СБ Муфта.jpg
    • icon-step
      МУВП-10-2000-00 СБ Муфта.stp
    • icon-spw
      МУВП-10-2000-00 СБ Муфта Спецификация.spw
    • icon-m3d
      МУВП-10-2000-01 Полумуфта.m3d
    • icon-m3d
      МУВП-10-2000-02 Полумуфта.m3d
    • icon-m3d
      МУВП-10-2000-03 Палец.m3d
    • icon-m3d
      МУВП-10-2000-04 Втулка.m3d
    • icon-m3d
      МУВП-10-2000-05 Втулка резиновая.m3d
Чтобы скачать чертеж, 3D модель или проект, Вы должны зарегистрироваться и принять участие в жизни сайта. Посмотрите, как тут скачивать файлы
Отзывов пока нет
Чтобы оставить отзыв, необходимо войти
Войти с помощью:

Используя функцию входа через сторонние сервисы, Вы соглашаетесь на обработку персональных данных в соответствии с Политикой конфиденциальности