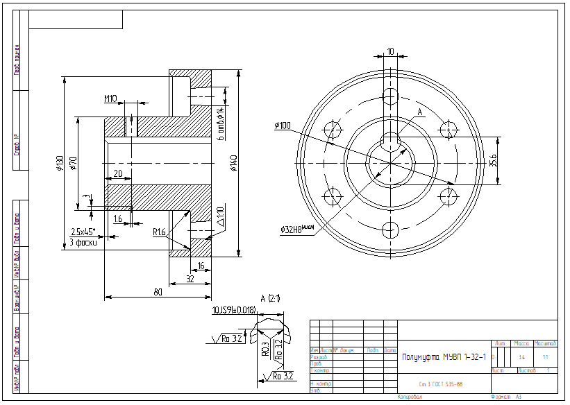
Параметрическая сборочная модель. В каждом файле деталей, во встроенной базе данных заполнено из ГОСТ по несколько исполнений. Также и в сборке. Недостающие исполнения можно добавить строчками в базы данных. Базу можно дополнить встроенными средствами T-FLEX (Параметры: База данных). Диалог параметров при вставке в сборку появляется автоматически, по типу стандартных библиотек. Также имеются параметрические чертежи деталей. Модель полностью заполнена для четырёх исполнений: 250-32-1, 250-36-1, 250-40-1 и 250-45-1.
- Главная -
- Чертежи -
- Машиностроение и механика -
- Детали машин -
- Муфты -
- Муфта МУВП параметрическая сборка (для четырёх исполнений)
Муфта МУВП параметрическая сборка (для четырёх исполнений)
0
0
43
0
0
100
Сообщить о проблеме
Автор
Дата
03.12.2025
Язык
Русский
Состав
3D Сборка
Софт
T-FLEX CAD 17.0.96
Отзывов пока нет
Содержимое архива
-
Втулка упругая МУВП.grb
-
Полумуфта1 МУВП.grb
-
Втулка распорная МУВП.grb
-
Палец МУВП.grb
-
Муфта МУВП 250-36-1 ГОСТ 21424-93.stp
-
Полумуфта2 МУВП.grb
-
Муфта МУВП ГОСТ 21424-93.grb
Чтобы скачать чертеж, 3D модель или проект, Вы должны зарегистрироваться
и принять участие в жизни сайта. Посмотрите, как тут скачивать
файлы
Задания с фриланса
Сделать подетальную схему сборки и маршрутно-операционную карту сборки по имеющимся чертежам
договорная
18.11.2025
27.10.2025
Отзывов пока нет
Чтобы оставить отзыв, необходимо войти
Войти с помощью:
Используя функцию входа через сторонние сервисы, Вы соглашаетесь на обработку персональных данных в соответствии с Политикой конфиденциальности
Используя функцию входа через сторонние сервисы, Вы соглашаетесь на обработку персональных данных в соответствии с Политикой конфиденциальности