Перейти к содержимому
Войти

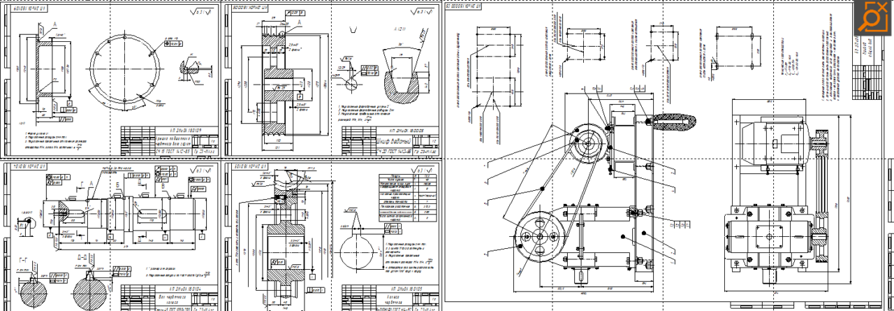
Спроектировать механический привод с редуктором червячным

0
0
38
0
0
80

Министерство образования Республики Беларусь
Учреждение образования
«Полоцкий государственный университет имени Ефросинии Полоцкой»
Кафедра__автомобильного транспорта____
Факультет__механико-технологический_____
КУРСОВОЙ ПРОЕКТ
по учебной дисциплине «Детали машин и основы конструирования»
на тему «Спроектировать механический привод»

2026год

Исходные данные: спроектировать механический привод, ременная передача, червячный редуктор (схема механического привода №3), мощность на тихоходном валу Р=6,0кВт, Угловая скорость тихоходного вала - 2,6 рад/сек, срок службы 25000часов, производство - серийное, режим нагрузки - постоянный.
ОГЛАВЛЕНИЕ
ВВЕДЕНИЕ 4
КИНЕМАТИЧЕСКИЙ РАСЧЕТ ПРИВОДА И ВЫБОР ЭЛЕКТРОДВИГАТЕЛЯ 5
РАСЧЕТ ЧЕРВЯЧНОЙ ПЕРЕДАЧИ С ЦИЛИНДРИЧЕСКИМ ЧЕРВЯКОМ 7
РАСЧЕТ КЛИНОРЕМЕННОЙ ПЕРЕДАЧИ 16
ПРОЕКТИРОВОЧНЫЙ РАСЧЕТ ВАЛОВ 20
ПРОВЕРОЧНЫЙ РАСЧЕТ ВАЛОВ 22
ПРОВЕРОЧНЫЙ РАСЧЕТ ПОДШИПНИКОВ КАЧЕНИЯ 33
ПРОВЕРОЧНЫЙ РАСЧЕТ ШПОНОЧНЫХ СОЕДИНЕНИЙ 35
ВЫБОР СМАЗКИ 36
ОПРЕДЕЛЕНИЕ РАЗМЕРОВ КОРПУСНЫХ ДЕТАЛЕЙ 37
КОНСТРУКТИВНАЯ КОМПАНОВКА РЕДУКТОРА 39
КОНСТРУИРОВАНИЕ РАМЫ 41
ЗАКЛЮЧЕНИЕ 42
ЛИТЕРАТУРА 43


Сообщить о проблеме
Автор
user-avatar user-9928459
Дата
30.01.2026
Язык
Русский
Состав
Редуктор червячный, Общий вид механизма, Вал ведомый, Шкиф, Крышка, Колесо червячное, Спецификация, ПЗ
Софт
КОМПАС-3D 21 Как открыть?
Отзывов пока нет
Задать вопрос
Содержимое архива
  • icon-cdw ВАЛ.cdw
  • icon-cdw КОЛЕСО ЧЕРВЯЧНОЕ.cdw
  • icon-cdw КРЫШКА ПОДШИПНИКА.cdw
  • icon-cdw Редуктор 1 лист.cdw
  • icon-spw Спецификация.spw
  • icon-spw Спецификация Привод общий вид.spw
  • icon-doc Титульный лист.docx
  • icon-cdw ШКИФ ВЕДОМЫЙ.cdw
  • icon-doc записка.docx
  • icon-png изображение_2026-01-30_120415335.png
  • icon-cdw общий вид механизма.cdw
Чтобы скачать чертеж, 3D модель или проект, Вы должны зарегистрироваться и принять участие в жизни сайта. Посмотрите, как тут скачивать файлы
Отзывов пока нет
Чтобы оставить отзыв, необходимо войти
Войти с помощью:

Используя функцию входа через сторонние сервисы, Вы соглашаетесь на обработку персональных данных в соответствии с Политикой конфиденциальности