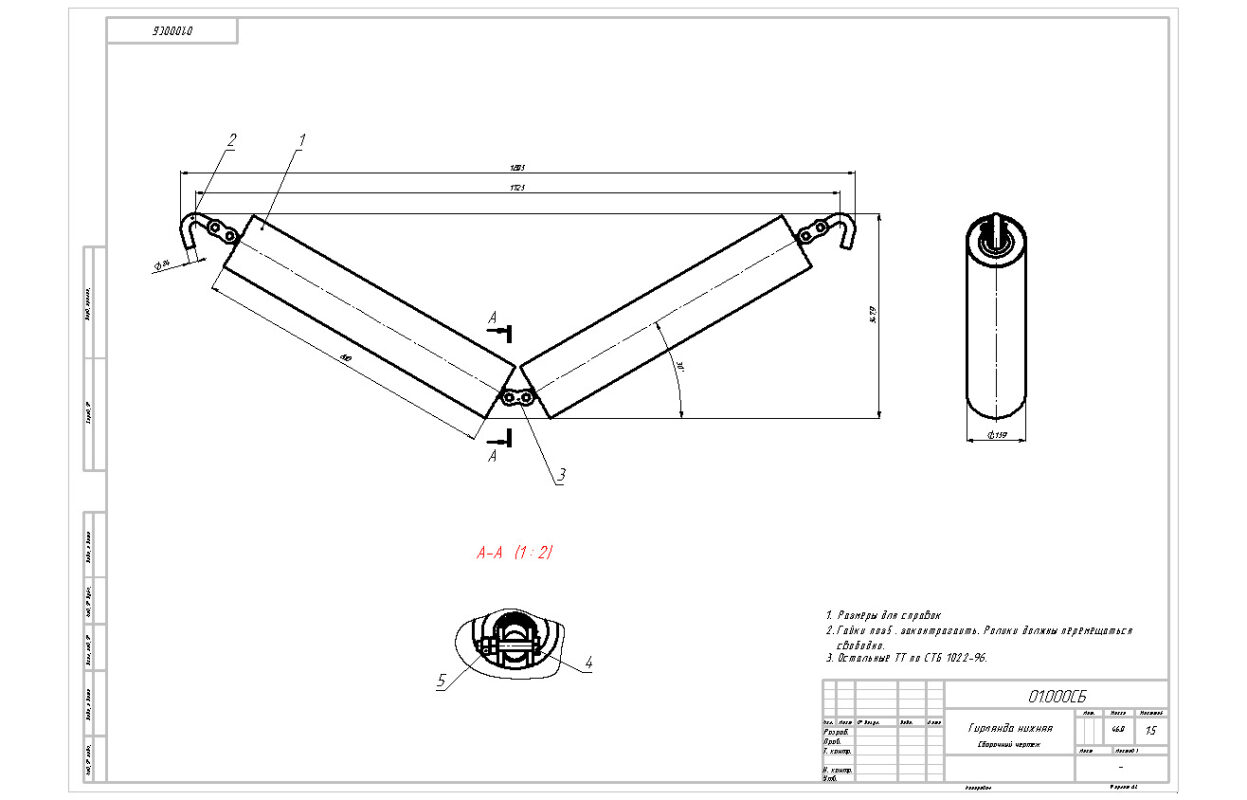
Гирлянда нижняя ЛК-1600 служит для направления нижний ветви ленты конвейера. Ширина используемой ленты - 1600 мм; ролик диаметром - 159 мм.; длина ролика - 810 мм.; растояние между точками крепления на ставе конвейера - 1725 мм; рабочий угол - 30 град.; диаметр крюков для крепления - 24 мм.; масса гирлянды - 46 кг.
- Главная -
- Чертежи -
- Машиностроение и механика -
- Подъемно транспортные установки (ПТУ) -
- Конвейеры -
- Гирлянда нижняя ЛК-1600
Гирлянда нижняя ЛК-1600
0
0
8
0
0
50


Сообщить о проблеме
Автор

Дата
27.09.2025
Язык
Русский
Состав
3D Сборка с чертежами и спецификациями.
Софт
SolidWorks 2019 SP5
Как открыть?
Отзывов пока нет
Содержимое архива
Чтобы скачать чертеж, 3D модель или проект, Вы должны зарегистрироваться
и принять участие в жизни сайта. Посмотрите, как тут скачивать
файлы
Задания с фриланса
Все задания
Отзывов пока нет
Чтобы задать вопрос, необходимо войти
Войти с помощью:
Ссылка на логин через google
Ссылка на логин через vk
Ссылка на логин через yandex