Перейти к содержимому
Войти

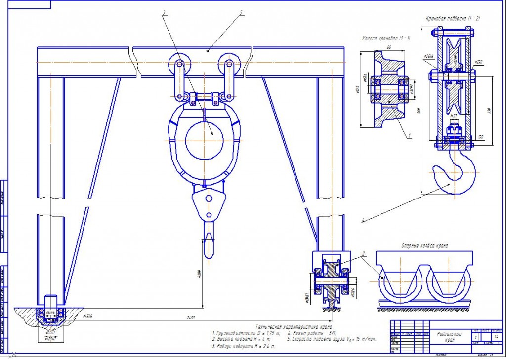
Радиальный кран Q=1,75т

0
301
2935
11
0
20

Брянская Государственная Сельскохозяйственная Академия
Кафедра: «деталей машин и основ конструирования»
Факультет: «Инженеров АПК и природообустройства»
Курсовая работа по ПТМ

Правильный выбор грузоподъёмного оборудования является основным фактором нормальной работы и высокой эффективности производства. Нельзя обеспечить устойчивый режим на современном этапе его интенсификации без согласований и безотказной работы современных средств механизации. Усиленно осуществляется переход от применения отдельных видов подъёмно-транспортной техники и внедрению высокопроизводственных комплексов. Создаются принципиально новые механизмы грузоподъёмных машин для комплексной механизации погрузочно-разгрузочных работ.

Техническая характеристика крана
1. Грузоподъёмность Q = 1,75 т;
2. Высота подъёма Н = 4 м;
3. Радиус поворота R = 2,4 м;
4. Режим работы - 5М;
5. Скорость подъёма груза V = 15 м/мин.

Техническая характеристика электротали:
1. Электродвигатель 4АС132М8У3(мощность Р = 5,0 кВт, частота вращения n = 690 об/мин);
2. Редуктор соосный двухступенчатый (U =16);
3. Частота вращения на выходном валу - 56 об/мин;
4. Диаметр грузового барабана D = 280 мм;


Сообщить о проблеме
Дата
13.08.2012
Язык
Русский
Состав
2 ватмана ВО + механизм подъема, пояснительная записка.
Софт
КОМПАС-3D 10 Как открыть?
Отзывов пока нет
Задать вопрос
Содержимое архива
    • icon-cdw 6-7 мех подъёма.cdw
    • icon-cdw 6-7 общ. вид.cdw
    • icon-doc ПТМ - БРУЕВ (консольно передвижной).doc
    • icon-jpg Снимок.JPG
Чтобы скачать чертеж, 3D модель или проект, Вы должны зарегистрироваться и принять участие в жизни сайта. Посмотрите, как тут скачивать файлы
Отзывов пока нет
Чтобы оставить отзыв, необходимо войти
Войти с помощью:

Используя функцию входа через сторонние сервисы, Вы соглашаетесь на обработку персональных данных в соответствии с Политикой конфиденциальности