Перейти к содержимому
Войти

Технологический процесс механической обработки детали 40.ШН.00.00.060

0
271
1746
4
0
150

Могилевский государственный университет продовольствия, кафедра прикладной механики, технология машиностроения , технологический процесс механической обработки детали 40.шн.00.00.60.,2013 г .

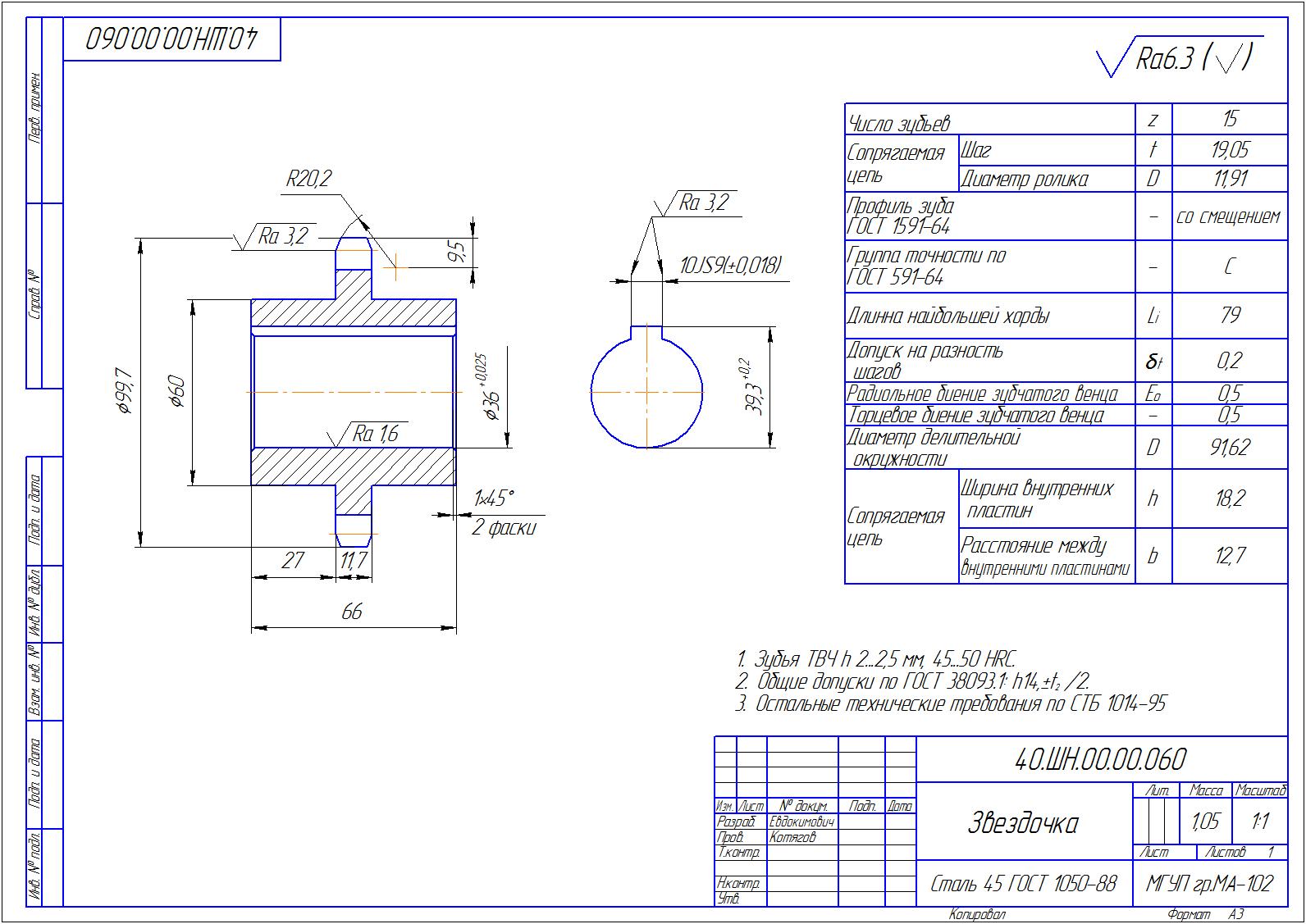
Деталь, выданная в качестве индивидуального задания для курсовой работы – звездочка 40.ШН.00.00.060.
Деталь – звездочка - представляет собой тело вращения. Деталь имеет центральное отверстие. Это отверстие является основной конструкторской базой. Отверстие ø36Н7 является основной поверхностью. Точность отверстия обеспечивается по седьмому квалитету. Для обеспечения качественной посадки к поверхности отверстия предъявляют высокие требования по шероховатости Ra = 0,8 мкм.
Зубчатая поверхность предназначена для передачи крутящего момента и является основной поверхностью. Она имеет шаг t = 19.05 и число зубьев z=15. К поверхности зубьев предъявляются следующие требования: шероховатость поверхностей составляет Ra = 3,2 мкм.
Шпоночный паз в отверстии предназначен для жесткого закрепления звез-дочки на валу. К нему предъявляются высокие требования: 9 квалитет точности (Js9), шероховатость Ra=3,2. Эти требования предъявляются с целью обеспечить качественную посадку звездочки по шпонке вала.
Все остальные поверхности являются свободными и выполняются по 14-му квалитету точности.
Деталь изготавливается из стали 45 по ГОСТ 1050-88.


Сообщить о проблеме
Дата
27.09.2014
Язык
Русский
Состав
Звездочка,Звездочка поковка, Маршрутные карты,Операционные эскизы, Записка , Спецификация .
Софт
КОМПАС-3D 12 Как открыть?
Отзывов пока нет
Задать вопрос
Содержимое архива
  • icon-cdw Деталь.cdw
  • icon-cdw Заготовка.cdw
  • icon-frw Карты.frw
  • icon-cdw Операционные эскизы3.cdw
  • icon-doc записка.doc
Чтобы скачать чертеж, 3D модель или проект, Вы должны зарегистрироваться и принять участие в жизни сайта. Посмотрите, как тут скачивать файлы
Отзывов пока нет
Чтобы оставить отзыв, необходимо войти
Войти с помощью:

Используя функцию входа через сторонние сервисы, Вы соглашаетесь на обработку персональных данных в соответствии с Политикой конфиденциальности