Перейти к содержимому
Войти

Проектирование технологического процесса изготовления детали «Распылитель» с разработкой станочного приспособления

0
32
713
4
0
90

СПБ ГБОУ СПО Петровский колледж
Специальность Технология машиностроения
Дипломный проект на тему: "Проектирование технологического процесса изготовления детали «Распылитель» с разработкой станочного приспособления"
Санкт-Петербург, 2015

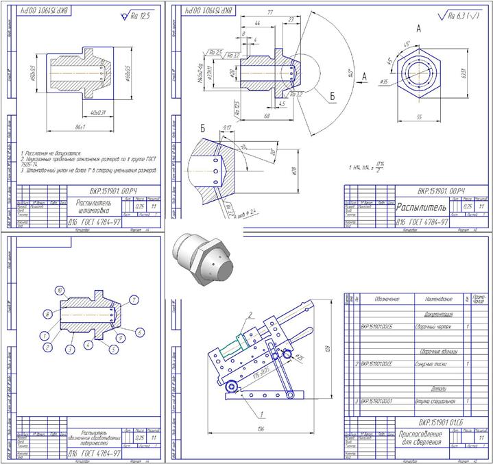
Исходные данные: Требуется разработать технологический процесс изготовления детали "Распылитель (чертеж детали), материал детали - Д16, Объем партии - 1500 шт. в год.
В данной работе необходимой разработать технологический процесс изготовления детали, выполнить расчет режимов резания, норм времени, подобрать оборудования, определить экономические показатели технологического процесса, разработать конструкцию приспособления для изготовления детали.
Содержание
Введение
Общая часть
Технологическая часть
1.Анализ технологичности конструкции детали
2.Анализ существующего варианта технологического процесса
3.Технико-экономическое обоснование выбора заготовки
4. Разработка выбранного варианта технологического процесса
5. Расчет и выбор припусков на механическую обработку
6. Выбор оборудования
7. Выбор станочных приспособлений
8. Выбор режущего инструмента
9. Выбор средств контроля
10. Расчет режимов резания
11. Расчет технически обоснованных норм времени
12. Разработка комплекта технологических карт
Конструкторская часть
Экономическая часть
Мероприятия по охране труда и противопожарной безопасности
Заключение
Список литературы


Сообщить о проблеме
Дата
04.03.2017
Язык
Русский
Состав
Чертеж детали, Чертеж заготовки, Сборочный чертеж приспособления и спецификация, Технологические карты,ПЗ
Софт
КОМПАС-3D 16 Как открыть?
Отзывов пока нет
Задать вопрос
Содержимое архива
      • icon-doc КЭ.1.doc
      • icon-xls МК_Ф1.xls
      • icon-xls МК_Ф2.xls
      • icon-xls ОКР_Ф3.xls
      • icon-xls ТЛ_Ф2.xls
    • icon-doc Diplomny_proekt_Mikhaylov_Andrey.docx
    • icon-m3d Деталь.m3d
    • icon-cdw Обрабатываемые поверхности.cdw
    • icon-cdw Приспособление.cdw
    • icon-cdw Распылитель заготовка.cdw
    • icon-cdw Распылитель чертеж.cdw
    • icon-jpg Распылитель чертеж.jpg
    • icon-doc Титульный лист (Дипломный проект).docx
Чтобы скачать чертеж, 3D модель или проект, Вы должны зарегистрироваться и принять участие в жизни сайта. Посмотрите, как тут скачивать файлы
Отзывов пока нет
Чтобы оставить отзыв, необходимо войти
Войти с помощью:

Используя функцию входа через сторонние сервисы, Вы соглашаетесь на обработку персональных данных в соответствии с Политикой конфиденциальности