Перейти к содержимому
Войти

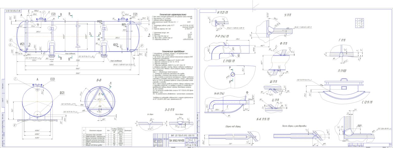
Бак запаса топлива 100 м3

0
0
28
0
0
60

Озёрский технический колледж, сварочное производство, Бак запаса топлива, 2017

Бака запаса топлива предназначен для хранения запаса топлива.
Эскиз сварной конструкции предоставлен на рисунке 1.

Характеристика сварной конструкции:
название конструкции бак запаса топлива
объём полный м³ (л) 100
давление рабочие МПа (кг/см²) 0,025 (0,25)
температура К (°С) 323 (50)
среда дизельное топливо
скорость коррозии, мм/год не более 0,1
назначенный ресурс, лет 50
материал Ст3сп5
вес, кг 11740
габаритные размеры, мм 4285 × 13252 × 3216
Бак запаса топлива состоит из цилиндрической обечайки диаметром 3200 мм, толщиной 8 мм.


Сообщить о проблеме
Дата
05.02.2026
Язык
Русский
Состав
2 листа А1
Софт
КОМПАС-3D 12 Как открыть?
Отзывов пока нет
Задать вопрос
Содержимое архива
  • icon-cdw следано чертёж.cdw
Чтобы скачать чертеж, 3D модель или проект, Вы должны зарегистрироваться и принять участие в жизни сайта. Посмотрите, как тут скачивать файлы
Отзывов пока нет
Чтобы оставить отзыв, необходимо войти
Войти с помощью:

Используя функцию входа через сторонние сервисы, Вы соглашаетесь на обработку персональных данных в соответствии с Политикой конфиденциальности