Перейти к содержимому
Войти

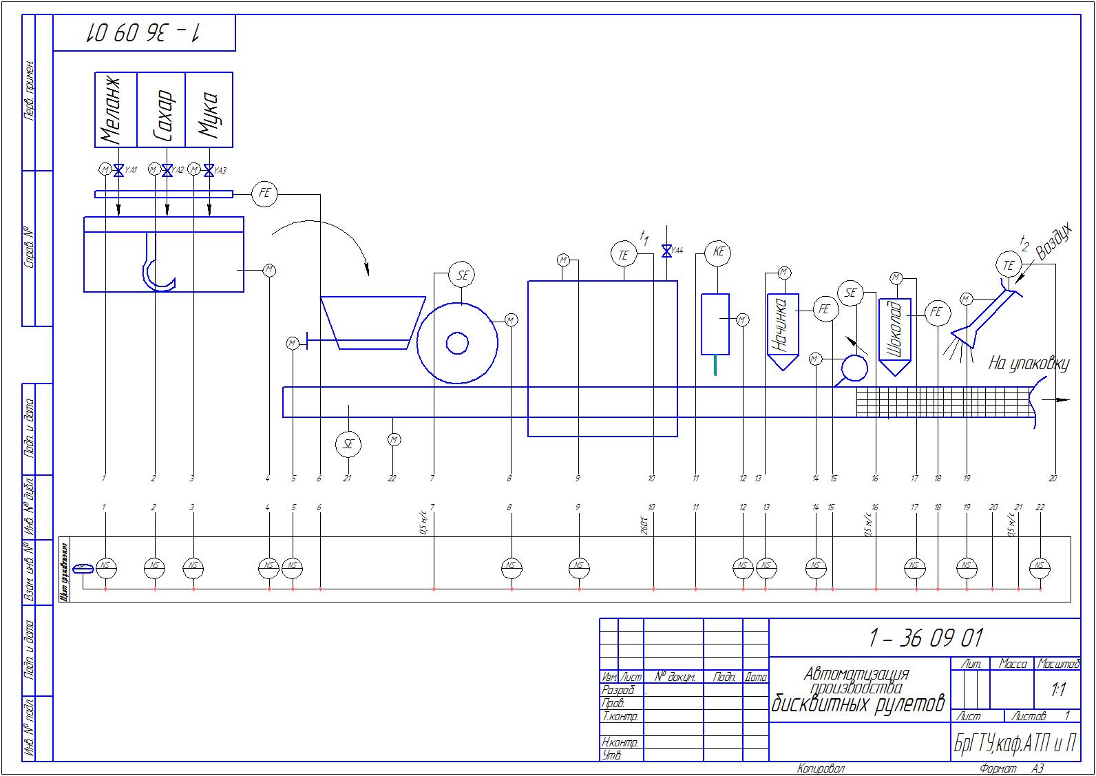
"Автоматизация производства бисквитных рулетов"

0
122
1408
8
0
60

Брестский государственный технический университет
Курсовой проект на тему "Автоматизация производства бисквитных рулетов"
Брест 2014

В данном проекте рассматривается автоматизация производства бисквитных рулетов.
Курсовой проект содержит 1 лист А3, 1лист А2 и 12 листов пояснительной записки.


Сообщить о проблеме
Дата
12.12.2015
Язык
Русский
Состав
Алгоритм работы микроконтроллера, Автоматизация производства бисквитных рулетов
Софт
КОМПАС-3D 14 Как открыть?
Отзывов пока нет
Задать вопрос
Содержимое архива
  • Бруцкий курсач автоматизация
    • Алгоритм работы микроконтроллера.cdw
    • рулеты.cdw
    • поясняк.doc
Чтобы скачать чертеж, 3D модель или проект, Вы должны зарегистрироваться и принять участие в жизни сайта. Посмотрите, как тут скачивать файлы
Отзывов пока нет
Чтобы оставить отзыв, необходимо войти
Войти с помощью:

Используя функцию входа через сторонние сервисы, Вы соглашаетесь на обработку персональных данных в соответствии с Политикой конфиденциальности