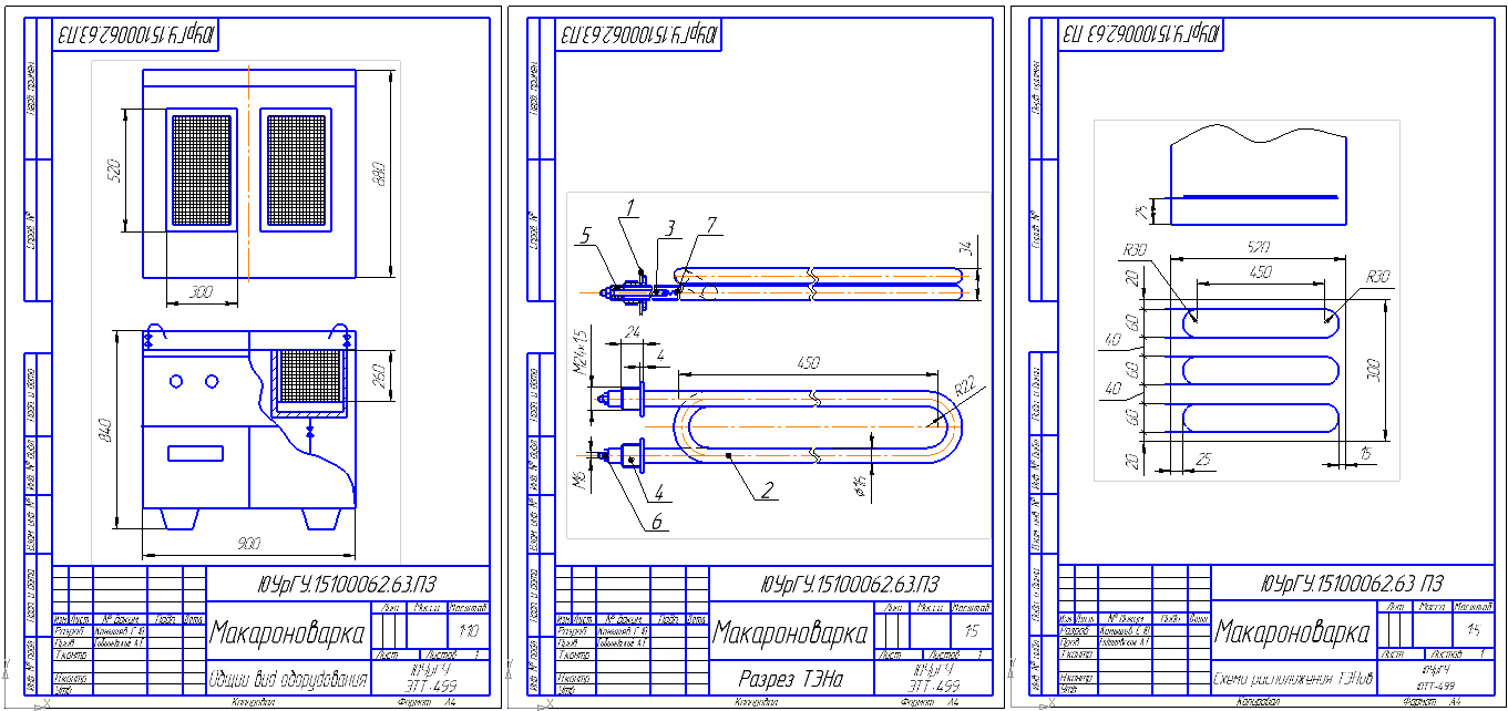
Разработка макароноварки производственной для приготовления макарон отварных, включает в себя чертеж общего вида, расположение тенов, разрез тена.
- Главная -
- Чертежи -
- Промышленность -
- Пищевая промышленность -
- Макароноварка
Макароноварка
0
201
1965
0
0
50
Сообщить о проблеме
Автор
Дата
19.01.2017
Язык
Русский
Состав
Вид общий, ТЭН, Спецификация
Софт
КОМПАС-3D 12
Как открыть?
Отзывов пока нет
Содержимое архива
-
cherteg.cdw
-
razrez_tena.cdw
-
shema.cdw
-
spetsifikatsiya_razrez_tena.spw
Чтобы скачать чертеж, 3D модель или проект, Вы должны зарегистрироваться
и принять участие в жизни сайта. Посмотрите, как тут скачивать
файлы
Отзывов пока нет
Чтобы оставить отзыв, необходимо войти
Войти с помощью:
Используя функцию входа через сторонние сервисы, Вы соглашаетесь на обработку персональных данных в соответствии с Политикой конфиденциальности
Используя функцию входа через сторонние сервисы, Вы соглашаетесь на обработку персональных данных в соответствии с Политикой конфиденциальности