Перейти к содержимому
Войти

Пастеризационно-охладительная установка для молока

0
291
8665
41
1
60

Пастеризационно-охладительная установка для молока.

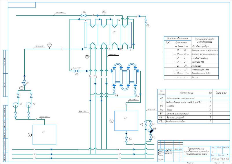
Пастеризационно-охладительная установка Технологическая схема
Пластинчатый пастеризатор Чертеж общего вида

Техническая характеристика
1. Аппарат предназначен для пастеризации молока
2. Производительность 10000 л/ч.
3. Поверхность теплообмена 80 М
4. Масса аппарата 2460 кг.

Технологическое назначение теплообменников многообразно. Обычно различаются собственно теплообменники, в которых передача тепла является основным процессом, и реакторы, в которых тепловой процесс играет вспомогательную роль. Теплообменниками называются аппараты, в которых происходит теплообмен между рабочими средами независимо от их технологического или энергетического назначения (подо¬греватели, выпарные аппараты, конденсаторы, пастеризаторы, испарители, деаэраторы, экономайзеры и др.).


Сообщить о проблеме
Автор
user-avatar molotkovayulya
Дата
17.04.2012
Язык
Русский
Состав
ВО, Технологическая схема, ПЗ
Софт
КОМПАС-3D 12 Как открыть?
Отзывов пока нет
Задать вопрос
Содержимое архива
    • icon-cdw Лист№1.cdw
    • icon-cdw Лист№2.cdw
    • icon-doc ПАСТЕРИЗАТОР.docx
Чтобы скачать чертеж, 3D модель или проект, Вы должны зарегистрироваться и принять участие в жизни сайта. Посмотрите, как тут скачивать файлы
Отзывов пока нет
Чтобы оставить отзыв, необходимо войти
Войти с помощью:

Используя функцию входа через сторонние сервисы, Вы соглашаетесь на обработку персональных данных в соответствии с Политикой конфиденциальности