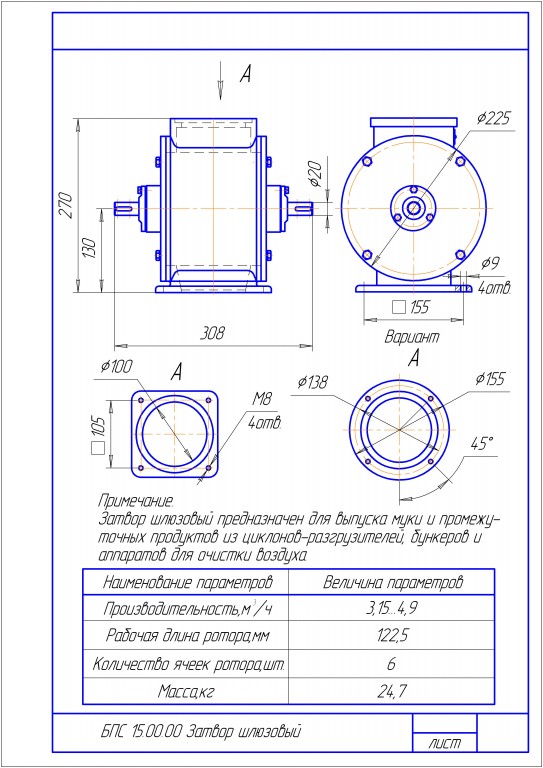
Шлюзовой затвор БПС 15 применяется в установках аспирации и пневмотранспорта на зерноперерабатывающих предприятиях в качестве герметизирующего устройства для циклонов и фильтров
- Главная -
- Чертежи -
- Промышленность -
- Пищевая промышленность -
- Шлюзовой затвор БПС 15
Шлюзовой затвор БПС 15
0
269
4616
8
0
20

Сообщить о проблеме
Автор
Дата
16.01.2013
Язык
Русский
Состав
ВО, техническая характеристика
Софт
КОМПАС v9, cdw
Отзывов пока нет
Содержимое архива
Чтобы скачать чертеж, 3D модель или проект, Вы должны зарегистрироваться
и принять участие в жизни сайта. Посмотрите, как тут скачивать
файлы
Отзывов пока нет
Чтобы задать вопрос, необходимо войти
Войти с помощью:
Ссылка на логин через google
Ссылка на логин через vk
Ссылка на логин через yandex