Перейти к содержимому
Войти

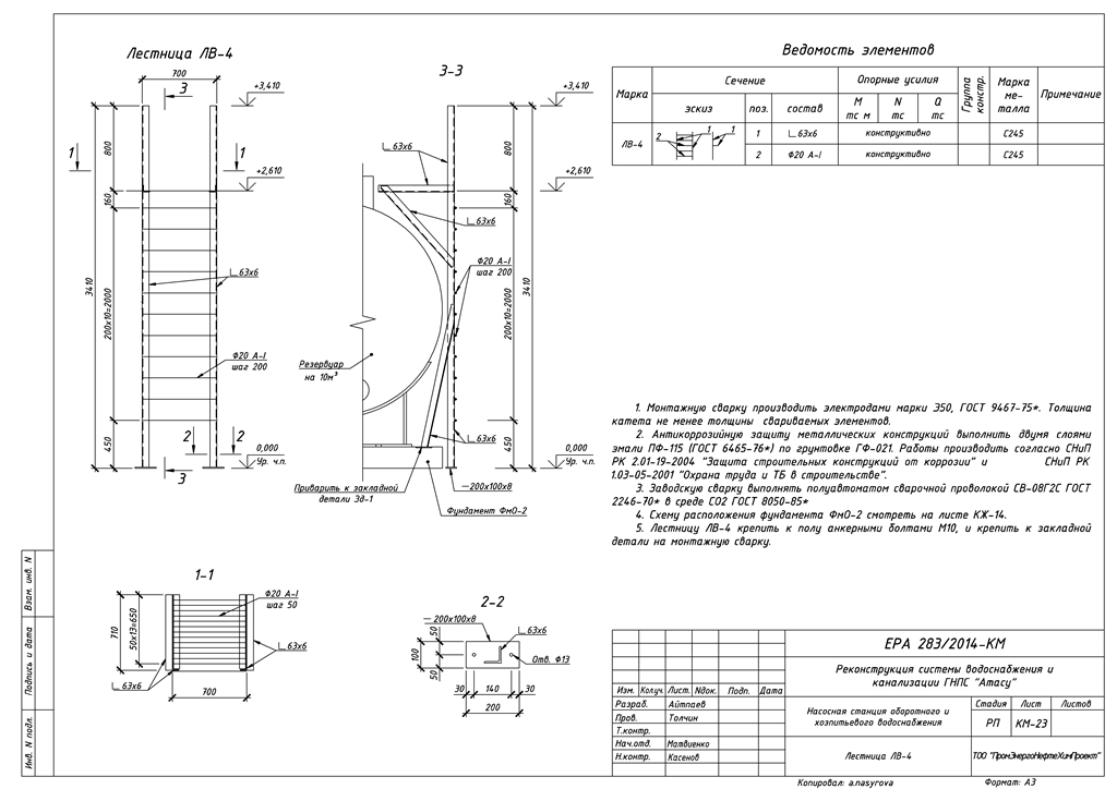
Насосная станция оборотного и хозпитьевого водоснабжения

0
0
72
1
0
250

Раздел КМ насосной станции оборотного и хозпитьевого водоснабжения в формате dwg

Общие данные

Данный раздел рабочего проекта "Реконструкция системы водоснабжения и канализации ГНПС "Атасу" выполнен на основании задания на проектирование, договора  , и в соответствии с требованиями нормативно-технической документации:
- СНиП РК 2.02-05-20009* "Пожарная безопасность зданий и сооружений";
- СНиП 2.01.07-85* "Нагрузки и воздействия";
- СНиП РК 5.04-23-2002* "Стальные конструкции. Нормы проектирования".
- СНиП РК 2.01-19-2004 "Защита строительных конструкций от коррозии".
- ГОСТ 9.402-2004* "Покрытия лакокрасочные. Подготовка металлических поверхностей перед окрашиванием".
- ГОСТ 12.03.005-75* "Соблюдение техники безопасности при производстве окрасочных работ. Система стандартов безопасности труда. Работы окрасочные. Общие требования безопасности".
Природно-климатические условия района строительства:
- район строительства - IIIA (СНиП РК 2.04-01-2001)
- нормативный ветровой район - III по СНиП 2.01.07-85* - (38 кгс/м²);
- нормативный снеговой район - II по СНиП 2.01.07-85* - (70 кгс/м²);
- средняя температура наиболее холодной пятидневки минус 32° С,
(СНиП РК 2.04-01-2010).
Согласно инженерно-геологическим изысканиям, проведенным ПК "Изыскатель" в июле 2014г., основанием под фундамент служит песок гравелистый, коричневый, средней плотности, маловлажный, влажный, ниже уровня грунтовых вод насыщенный водой, с прослоями суглинка до 0,5 см, со следующими расчетными физико-механическими свойствами: угол внутреннего трения при замачивании ϕ=40°, модуль деформации при замачивании Е=400 кгс/см², сцепление грунта при водонасыщении С=0,01 кгс/см², плотность водонасыщенного грунта ρ=1,98 г/см³.
Уровень грунтовых вод - 0,9-2,6м (абсолютная отметка 483,2 м). Возможен сезонный подъем уровня за счет инфильтрации до 0,7 м. Вода неагрессивная к бетону нормальной проницаемости на портландцементе, слабоагрессивная к арматуре железобетонных конструкций при периодическом смачивании. Грунты обладают средней коррозийной активностью к стали, к бетону нормальной проницаемости на портландцементе - не агрессивны. Нормативная глубина сезонного промерзания - 2,1 м.
За условную отметку 0,000 принят уровень чистого пола здания, что соответствует абсолютной отметке 486,8 по ГП.

Конструктивные решения:

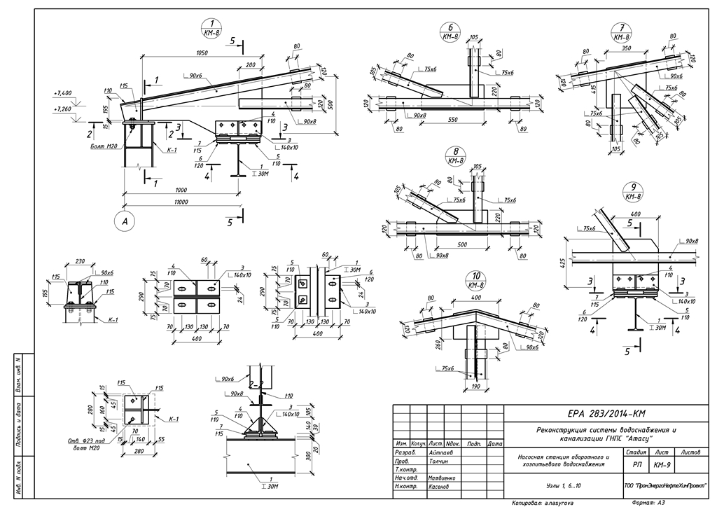
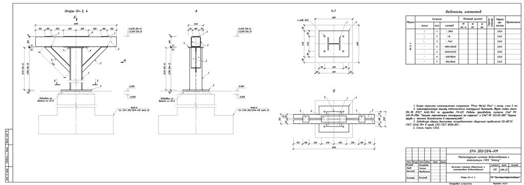
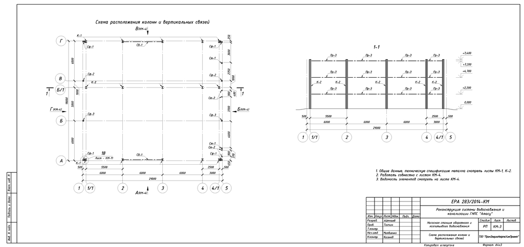
Насосная станция оборотного и хозпитьевого водоснабжения представляет собой одноэтажное, производственное, каркасное здание из металла с размерами в осях 18х21м, с высотой здания 9,8 м. Каркас здания состоит из стальных однопролетных рам с шагом 6 и 3 м, шириной пролета 11 и 7.
Колонны - запроектированы из стальных двутавров 40К1, 30К2 по ГОСТ 26020-83 Фермы, связи - выполнены металлические из стальных уголков по ГОСТ 8509-93. Прогоны -металлические из стальных швеллеров по ГОСТ 8240-97.


Сообщить о проблеме
Дата
02.09.2025
Язык
Русский
Состав
В состав входит весь комплект марки КМ здания насосной станции
Софт
AutoCAD 2020 Как открыть?
Отзывов пока нет
Задать вопрос
Содержимое архива
  • icon-dwg
    КМ-1.dwg
  • icon-dwg
    КМ-2.dwg
  • icon-dwg
    КМ-3.dwg
  • icon-dwg
    КМ-4.dwg
  • icon-dwg
    КМ-5.dwg
  • icon-dwg
    КМ-6.dwg
  • icon-dwg
    КМ-7.dwg
  • icon-dwg
    КМ-8.dwg
  • icon-dwg
    КМ-9.dwg
  • icon-dwg
    КМ-10.dwg
  • icon-dwg
    КМ-11.dwg
  • icon-dwg
    КМ-12.dwg
  • icon-dwg
    КМ-13.dwg
  • icon-dwg
    КМ-14.dwg
  • icon-dwg
    КМ-15.dwg
  • icon-dwg
    КМ-16.dwg
  • icon-dwg
    КМ-17.dwg
  • icon-dwg
    КМ-18.dwg
  • icon-dwg
    КМ-19.dwg
  • icon-dwg
    КМ-20.dwg
  • icon-dwg
    КМ-21.dwg
  • icon-dwg
    КМ-22.dwg
  • icon-dwg
    КМ-23.dwg
  • icon-dwg
    КМ-24.dwg
  • icon-dwg
    КМ-25.dwg
Чтобы скачать чертеж, 3D модель или проект, Вы должны зарегистрироваться и принять участие в жизни сайта. Посмотрите, как тут скачивать файлы
Отзывов пока нет
Чтобы оставить отзыв, необходимо войти
Войти с помощью:

Используя функцию входа через сторонние сервисы, Вы соглашаетесь на обработку персональных данных в соответствии с Политикой конфиденциальности