Перейти к содержимому
Войти

Индивидуальный жилой дом (ИЖД) в г. Чебоксары.

0
0
41
0
0
100

ЮЗГУ
Кафедра "Промышленное и гражданское строительство"
Дисциплина "Архитектура жилых и общественных зданий и сооружений"
2022 г.

Содержание пояснительной записки:
Введение
1. Исходные данные для проектирования
2. Объемно-планировочные решения
3. Конструктивные решения здания
4. Расчеты
4.1 Теплотехнические расчеты ограждающих конструкций здания
4.1.1 Теплотехнический расчет наружных стен здания
4.1.2 Теплотехнический расчет чердачного перекрытия
4.2 Упрощенный расчет междуэтажного перекрытия на звукоизоляцию
4.3 Упрощенный сбор нагрузок на фундамент
Заключение
Библиографический список

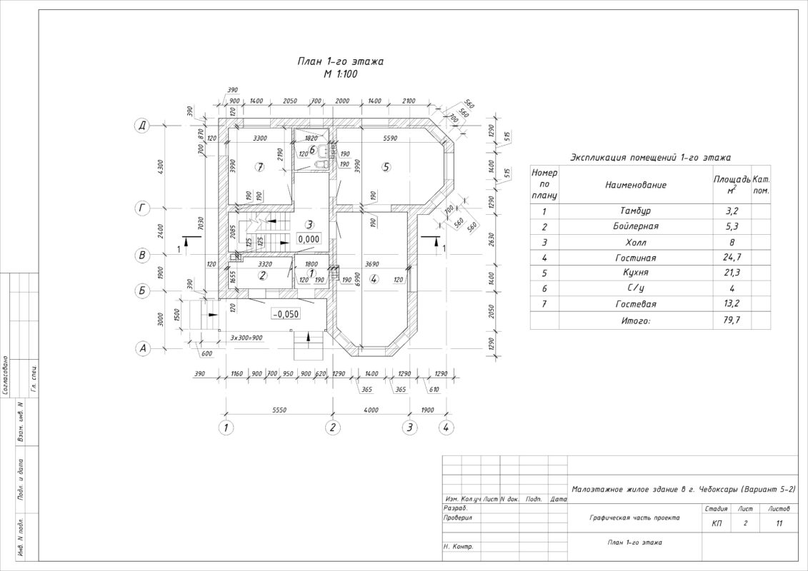
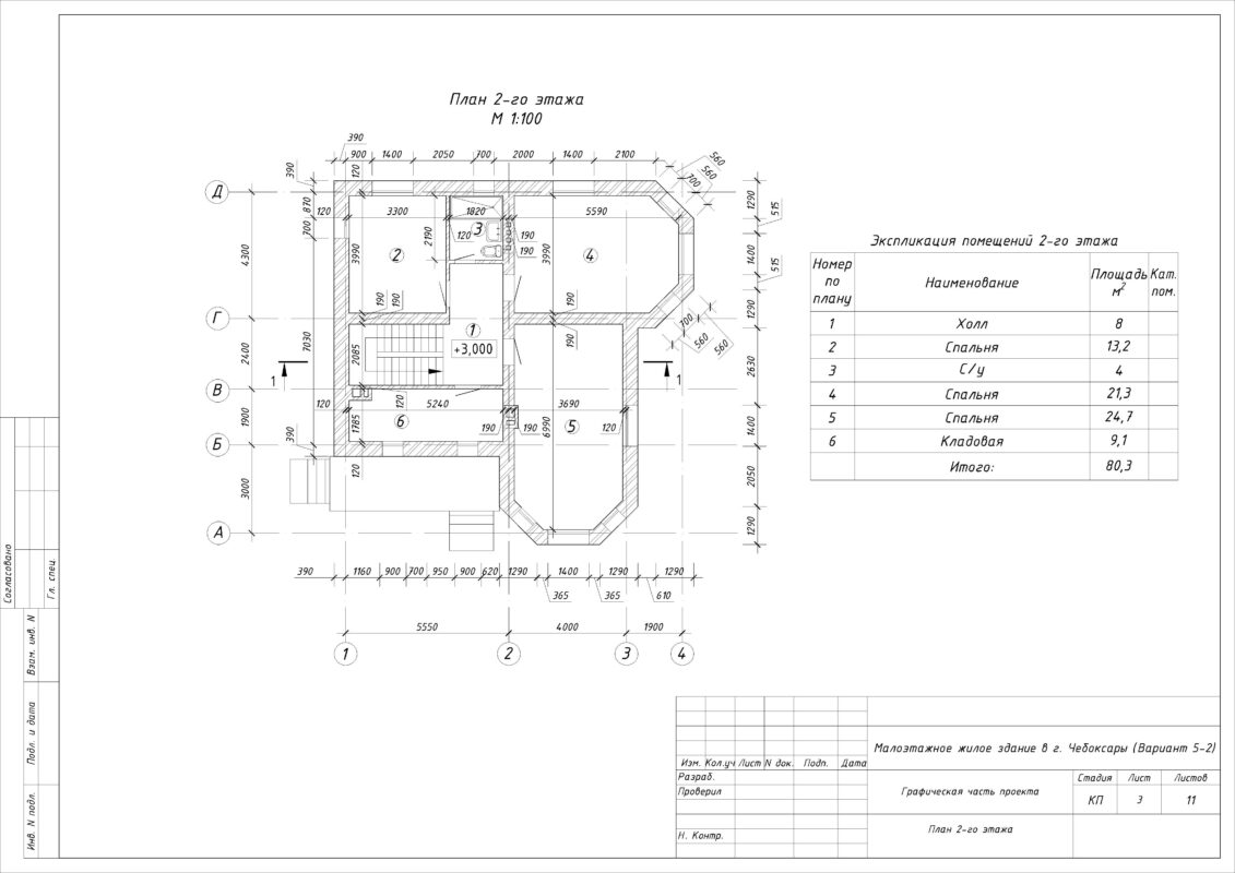
В курсовом проекте рассмотрен двухэтажный индивидуальный жилой дом из поризованных керамических камней с холодным чердаком и холодным подпольем.
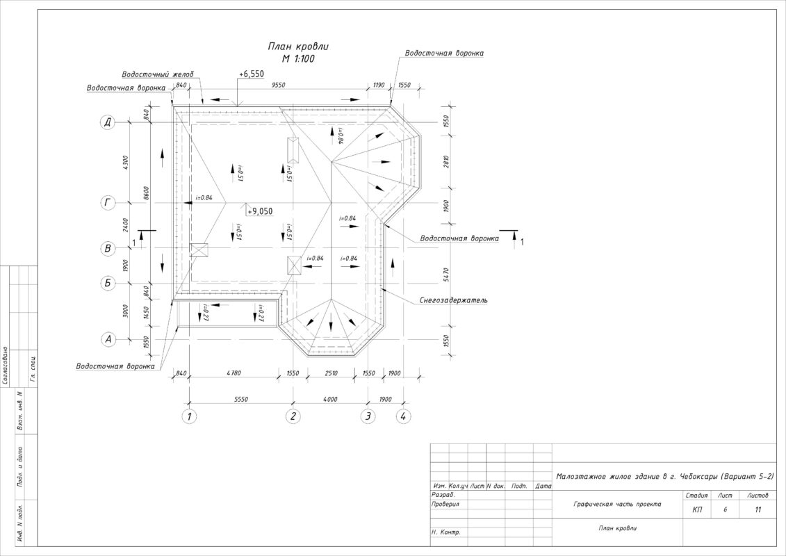
Запроектированное здание рассчитано на проживание одной семьи численностью до 6 человек. Здание имеет в плане сложную форму с габаритными размерами в крайних осях 1-4, А-Д 11.45×11.60 м, его общая высота составляет 9.05 м.
Здание имеет неотапливаемое подполье, два надземных этажа и неотапливаемый чердак. Высота этажей составляет 3.0 м. Высота подвала 3.0 м. Высота чердака 2.9 м.


Сообщить о проблеме
Автор
user-avatar user-8714997
Дата
09.04.2026
Язык
Русский
Состав
Лист 1. Фасад 1-4 Лист 2. План 1-го этажа Лист 3. План 2-го этажа Лист 4. План перекрытий Лист 5. План фундаментов Лист 6. План кровли Лист 7. Схема расположения стропил Лист 8. Разрез 1-1 Лист 9. Узлы разреза по стене Лист 10. План и разрез по лестничной клетке Лист 11. Конструктивные узлы здания
Софт
AutoCAD 2018 Как открыть?
Отзывов пока нет
Задать вопрос
Содержимое архива
    • icon-dwg Графическая часть.dwg
    • icon-doc Пояснительная записка.docx
Чтобы скачать чертеж, 3D модель или проект, Вы должны зарегистрироваться и принять участие в жизни сайта. Посмотрите, как тут скачивать файлы
Отзывов пока нет
Чтобы оставить отзыв, необходимо войти
Войти с помощью:

Используя функцию входа через сторонние сервисы, Вы соглашаетесь на обработку персональных данных в соответствии с Политикой конфиденциальности