Перейти к содержимому
Войти

Буксовый поводок тепловоза 2ТЭ116

0
1
44
0
0
30

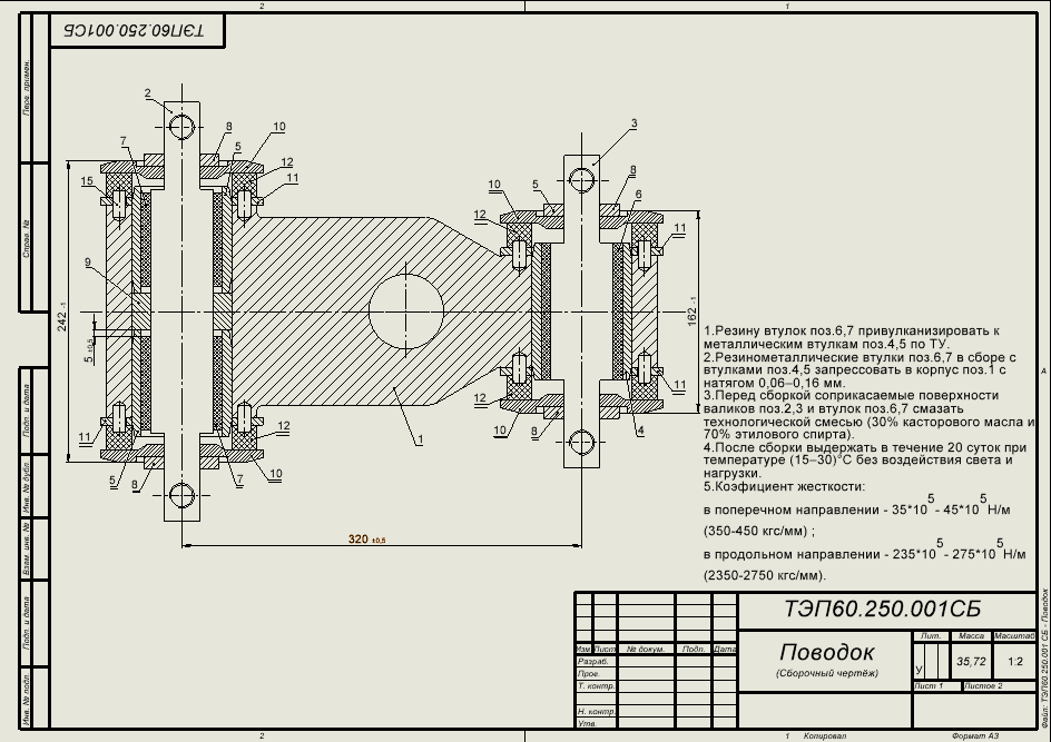
3D-модель и сборочный чертёж буксового поводка тепловоза 2ТЭ116, предназначенного для соединения буксового узла с рамой тележки, а также передачи тяговых и тормозных усилий.

Основные размеры и технические требования разработаны на основе данных из книги С.П. Филонов, А.И. Гибалов, Е.А. Никитин «Тепловоз 2ТЭ116». — М.: Транспорт, 1996.

Модель выполнена в образовательных целях.


Сообщить о проблеме
Автор
user-avatar Rawitj
Дата
12.04.2026
Язык
Русский
Состав
3Д Модель буксового поводка, деталей: -ТЭП60.250.001 СБ - Поводок -ТЭП70.100.001 - Корпус -ТЭП70.110.001 - Валик -ТЭП70.120.001 - Втулка -ТЭП70.120.002 - Втулка резинновая -ТЭП70.120.002 - Прокладка -ТЭП70.130.001 - Кольцо -ТЭП70.130.002 - Кольцо -ТЭП70.130.003 - Кольцо -ТЭП70.140.001 - Шайба Чертёж: -ТЭП60.250.001 СБ - Поводок
Софт
SolidWorks 2022 учебная Как открыть?
Отзывов пока нет
Задать вопрос
Содержимое архива
  • icon-sldasm ТЭП60.250.001 СБ - Поводок.SLDASM
  • icon-slddrw ТЭП60.250.001 СБ - Поводок.SLDDRW
  • icon-step ТЭП60.250.001 СБ - Поводок.STEP
  • icon-sldprt ТЭП70.100.001 - Корпус.SLDPRT
  • icon-sldprt ТЭП70.110.001 - Валик.SLDPRT
  • icon-sldprt ТЭП70.120.001 - Втулка.SLDPRT
  • icon-sldprt ТЭП70.120.002 - Втулка резинновая.SLDPRT
  • icon-sldprt ТЭП70.120.002 - Прокладка.SLDPRT
  • icon-sldprt ТЭП70.130.001 - Кольцо.SLDPRT
  • icon-sldprt ТЭП70.130.002 - Кольцо.SLDPRT
  • icon-sldprt ТЭП70.130.003 - Кольцо.SLDPRT
  • icon-sldprt ТЭП70.140.001 - Шайба.SLDPRT
Чтобы скачать чертеж, 3D модель или проект, Вы должны зарегистрироваться и принять участие в жизни сайта. Посмотрите, как тут скачивать файлы
Отзывов пока нет
Чтобы оставить отзыв, необходимо войти
Войти с помощью:

Используя функцию входа через сторонние сервисы, Вы соглашаетесь на обработку персональных данных в соответствии с Политикой конфиденциальности