Перейти к содержимому
Войти

Проектирование автоматизированного электропривода (момент сопротивления на валу механизма 1000 Нм)

0
2
20
0
0
100

Министерство образования Российской Федерации
Уфимский Государственный Авиационный Технический Университет
Кафедра Автоматизированных Технологических Систем
Курсовой проект
по дисциплине
«Электромеханические системы»
на тему:
Проектирование автоматизированного электропривода

Цель данного проекта - разработать автоматизированный электропривод следящей системы, обеспечивающей заданную точность слежения механизма при изменении момента сопротивления.

Исходные данные:
- Момент сопротивления на валу механизма 1000 Нм.
- Момент инерции механизма 1,5 кгм2.
- Минимальное время цикла работы 60 с.
- Максимальный коэффициент относительной продолжительности цикла 0,9.
- Статическая погрешность поддержания скорости 1%.
- Максимальная скорость вращения механизма 1000 об/мин.
- Диапазон регулирования скорости 100.

Содержание:
Задание
Введение
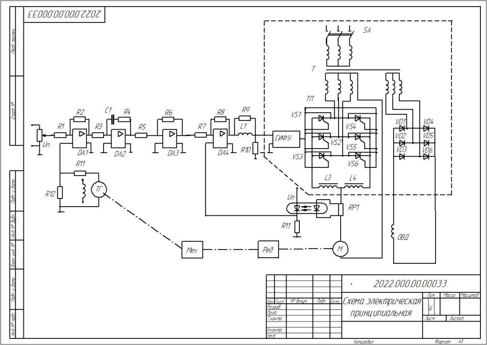
1 Функциональная схема САР положения
2 Выбор электродвигателя
3 Выбор комплекта электропривода
4 Определение передаточной функции электродвигателя
5 Определение передаточной функции тахогенератора и датчика тока
6 Определение передаточной функции датчика положения
7 Определение передаточной функции преобразователя
8 Определение коэффициента разомкнутой систем
9 Настройка контура тока
10 Настройка контура скорости
11 Настройка контура позиционирования
12 Структурная схема
13 Исследование переходных процессов
13 Заключение
14 Список литературы


Сообщить о проблеме
Автор
user-avatar Андрей
Дата
28.01.2026
Язык
Русский
Состав
Пояснительная записка, Чертеж, Спецификация
Софт
КОМПАС-3D 22 Как открыть?
Отзывов пока нет
Задать вопрос
Содержимое архива
  • icon-doc Пояснительная записка.DOC
  • icon-spw Спецификация.SPW
  • icon-cdw Чертеж.CDW
Чтобы скачать чертеж, 3D модель или проект, Вы должны зарегистрироваться и принять участие в жизни сайта. Посмотрите, как тут скачивать файлы
Отзывов пока нет
Чтобы оставить отзыв, необходимо войти
Войти с помощью:

Используя функцию входа через сторонние сервисы, Вы соглашаетесь на обработку персональных данных в соответствии с Политикой конфиденциальности