Перейти к содержимому
Войти

Проектирование автоматизированного электропривода (момент сопротивления на валу механизма 18 Нм.)

0
0
16
0
0
70

Министерство образования Российской Федерации
Уфимский Государственный Авиационный Технический Университет
Кафедра Автоматизированных Технологических Систем
Курсовой проект
по дисциплине
«Электромеханические системы»
на тему:
Проектирование автоматизированного электропривода

В ходе работы необходимо разработать САР, обеспечивающую заданную точность позиционирования механизма при максимальном активном моменте сопротивления.

Исходные данные:
- Момент сопротивления на валу механизма 18 Нм.
- Момент инерции механизма 0,75 кгм2.
- Минимальное время цикла работы 25 с.
- Диапазон регулирования скорости механизма 100.
- Максимальная скорость вращения механизма 650 об/мин.
- Статическая погрешность поддержания скорости 0,5 %.
- Максимальный коэффициент относительной продолжительности цикла 0,9.

Содержание:
Задание
Введение
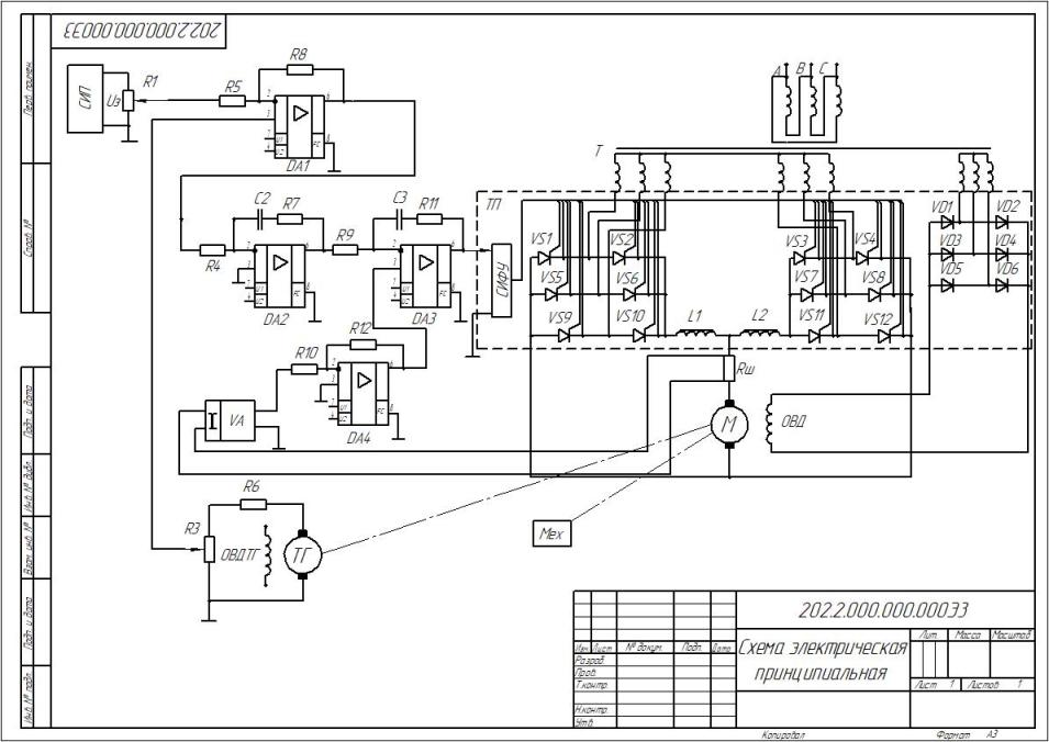
Функциональная схема САР
Выбор электродвигателя
Расчет механической и электромеханической характеристик двигателя
Расчет статических характеристик
Передаточная функция электродвигателя
Передаточная функция тиристорного преобразователя
Передаточные функции датчиков обратной связи
Определение параметров корректирующих устройств
Исследование и анализ переходных процессов
Заключение
Список литературы


Сообщить о проблеме
Автор
user-avatar Андрей
Дата
29.01.2026
Язык
Русский
Состав
Пояснительная записка, Чертеж, Спецификация
Софт
КОМПАС-3D 22 Как открыть?
Отзывов пока нет
Задать вопрос
Содержимое архива
  • icon-doc Пояснительная запаиска.doc
  • icon-cdw Спецификация.cdw
  • icon-cdw Чертеж.cdw
Чтобы скачать чертеж, 3D модель или проект, Вы должны зарегистрироваться и принять участие в жизни сайта. Посмотрите, как тут скачивать файлы
Отзывов пока нет
Чтобы оставить отзыв, необходимо войти
Войти с помощью:

Используя функцию входа через сторонние сервисы, Вы соглашаетесь на обработку персональных данных в соответствии с Политикой конфиденциальности