Перейти к содержимому
Войти

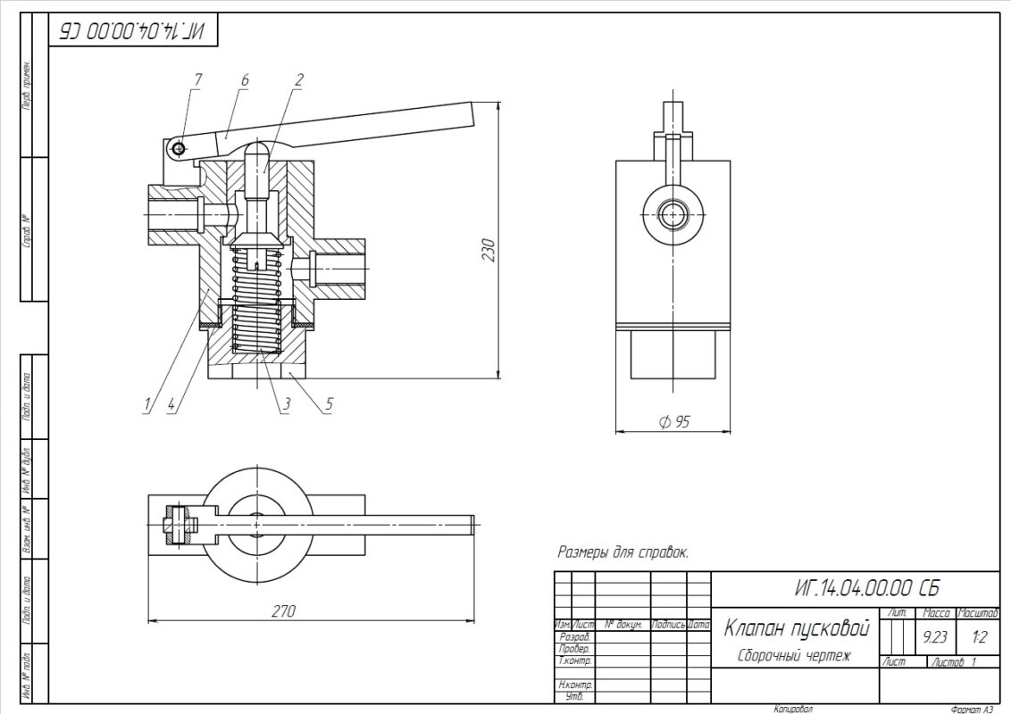
Клапан пусковой ИГ.14.04.00.00 СБ

0
0
59
0
0
50

В работе представлена 3д-сборка узла: "Клапан пусковой" с входящими в неё деталями. Также, к сборке прилагается сборочный чертеж.


Сообщить о проблеме
Автор
user-avatar xks_21
Дата
31.10.2025
Язык
Русский
Состав
3D Сборка, Сборочный чертеж (СБ), Спецификация
Софт
SolidWorks 22 Как открыть?
Отзывов пока нет
Задать вопрос
Содержимое архива
    • icon-jpg Вид сверху.jpg
    • icon-jpg Вид слева.jpg
    • icon-jpg Вид спереди.jpg
    • icon-pdf ИГ.14.04.00.00 СБ Клапан пусковой.pdf
    • icon-sldasm ИГ.14.04.00.00 СБ Клапан пусковой.SLDASM
    • icon-slddrw ИГ.14.04.00.00 СБ Клапан пусковой.SLDDRW
    • icon-step ИГ.14.04.00.00 СБ Клапан пусковой.STEP
    • icon-sldprt ИГ.14.04.00.01 Клапан.SLDPRT
    • icon-sldprt ИГ.14.04.00.02 Пружина.SLDPRT
    • icon-sldprt ИГ.14.04.00.03 Прокладка.SLDPRT
    • icon-sldprt ИГ.14.04.00.04 Пробка.SLDPRT
    • icon-sldprt ИГ.14.04.00.05 Рычаг.SLDPRT
    • icon-sldprt ИГ.14.04.00.06 Ось.SLDPRT
    • icon-sldasm ИГ.14.04.01.00 СБ Корпус клапана.SLDASM
    • icon-sldprt ИГ.14.04.01.01 Корпус.SLDPRT
    • icon-sldprt ИГ.14.04.01.02 Седло.SLDPRT
    • icon-jpg Изометрический вид.jpg
    • icon-jpg Изометрический вид сборочной единицы.jpg
    • icon-jpg Клапан.jpg
    • icon-jpg Корпус.jpg
    • icon-jpg Ось.jpg
    • icon-jpg Пробка.jpg
    • icon-jpg Прокладка.jpg
    • icon-jpg Пружина.jpg
    • icon-jpg Рычаг.jpg
    • icon-jpg Седло.jpg
    • icon-jpg Ступенчатый разрез изометрического вида.jpg
Чтобы скачать чертеж, 3D модель или проект, Вы должны зарегистрироваться и принять участие в жизни сайта. Посмотрите, как тут скачивать файлы
Отзывов пока нет
Чтобы оставить отзыв, необходимо войти
Войти с помощью:

Используя функцию входа через сторонние сервисы, Вы соглашаетесь на обработку персональных данных в соответствии с Политикой конфиденциальности