Перейти к содержимому
Войти

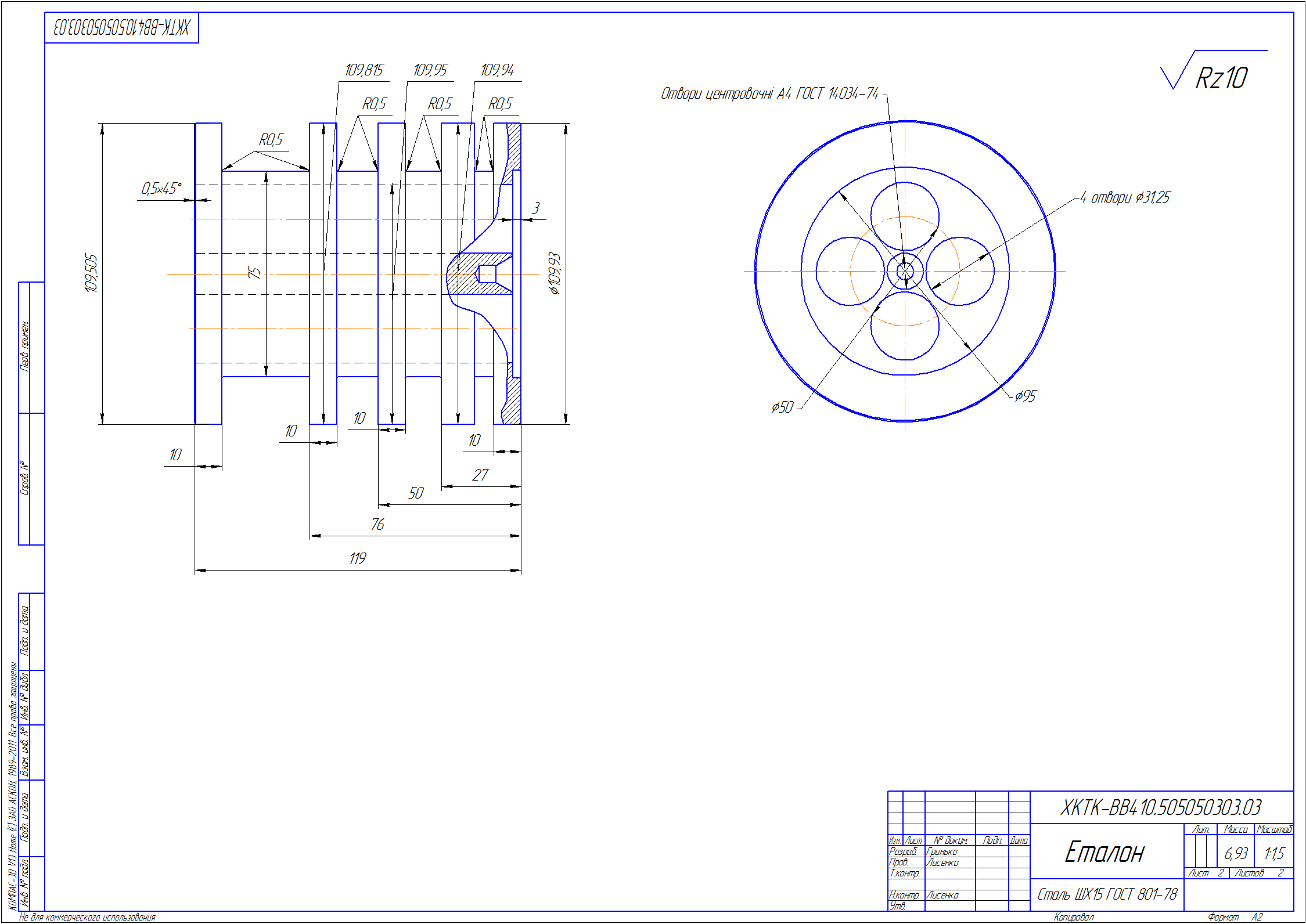
Разработка технологического процесса механической обработки детали «Эталон»

0
154
1008
1
0
50

Харьковский компьютерно-технологический колледж Национального технического института "ХПИ"
Специальность "Производство станков с программным управлением и роботов"
Курсовой проект по дисциплине "Технология машиностроения"
На тему: "Разработка технологического процесса механической обработки детали « Эталон»."
Харьков 2014

В ходе работы над курсовом проектом был разработан и описан технологический процесс изготовления детали «Еталон». Был обоснован способ получения заготовки, разработан маршрутный процесс изготовления детали,произведен расчет припусков на механическую обработку, произведен выбор необходимого оборудования, рассчитаны режимы резания и нормирование технологических операций.


Сообщить о проблеме
Дата
18.04.2014
Язык
Украинский
Состав
ПЗ, чертёж детали, чертёж заготовки, чертеж расчетно-технологической карты, карта наладки, технологический процесс изготовления(маршрутные и операционные карты).
Софт
КОМПАС-3D 13 Как открыть?
Отзывов пока нет
Задать вопрос
Содержимое архива
      • icon-doc 005.docx
      • icon-doc 010(2).docx
      • icon-doc 010.docx
      • icon-doc 015(2).docx
      • icon-doc 015.docx
      • icon-doc 025.docx
      • icon-doc 030.docx
      • icon-doc 045.docx
      • icon-doc 060.docx
      • icon-doc 065.docx
      • icon-doc Маршрут.docx
    • icon-cdw Заготовка+деталь.cdw
    • icon-cdw Карта наладки(2).cdw
    • icon-cdw Карта наладки.cdw
    • icon-doc ПЗ.docx
    • icon-cdw РТКкурс.cdw
Чтобы скачать чертеж, 3D модель или проект, Вы должны зарегистрироваться и принять участие в жизни сайта. Посмотрите, как тут скачивать файлы
Отзывов пока нет
Чтобы оставить отзыв, необходимо войти
Войти с помощью:

Используя функцию входа через сторонние сервисы, Вы соглашаетесь на обработку персональных данных в соответствии с Политикой конфиденциальности