Уважаемые пользователи, временно отключили платежи через ЮКассу. Работает запасной канал. Если у кого-то потерялся платеж за 21.04 напишите в форму контактов.
- Главная -
- Чертежи -
- Машиностроение и механика -
- Станки и инструменты -
- 3D сборка станочного приспособления для обработки лап корпуса подшипника
3D сборка станочного приспособления для обработки лап корпуса подшипника
0
0
18
0
0
40
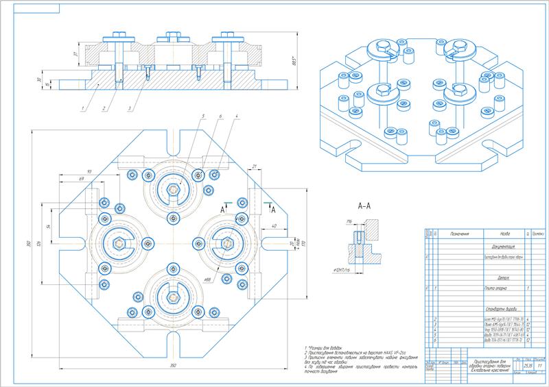
Приспособление предназначено для обработки лап корпуса подшипника на фрезерном станке с ЧПУ HAAS VF2. Обработка производится одновременно для четырех деталей.
Сообщить о проблеме
Автор
Дата
12.03.2026
Язык
Украинский
Состав
3D Сборка, Сборочный чертеж (СБ)
Софт
КОМПАС-3D 22
Как открыть?
Отзывов пока нет
Содержимое архива
-
-
Корпус подшипника.m3d
-
Плита опорная.m3d
-
Приспособление.png
-
Приспособление для обработки лап корпуса подшипника(сборка).a3d
-
Приспособление для обработки лап корпуса подшипника(сборка).stp
-
Сборочный чертеж приспособления.cdw
-
Чертеж детали.cdw
-
Чтобы скачать чертеж, 3D модель или проект, Вы должны зарегистрироваться
и принять участие в жизни сайта. Посмотрите, как тут скачивать
файлы
Отзывов пока нет
Чтобы оставить отзыв, необходимо войти
Войти с помощью:
Используя функцию входа через сторонние сервисы, Вы соглашаетесь на обработку персональных данных в соответствии с Политикой конфиденциальности
Используя функцию входа через сторонние сервисы, Вы соглашаетесь на обработку персональных данных в соответствии с Политикой конфиденциальности