Перейти к содержимому
Войти

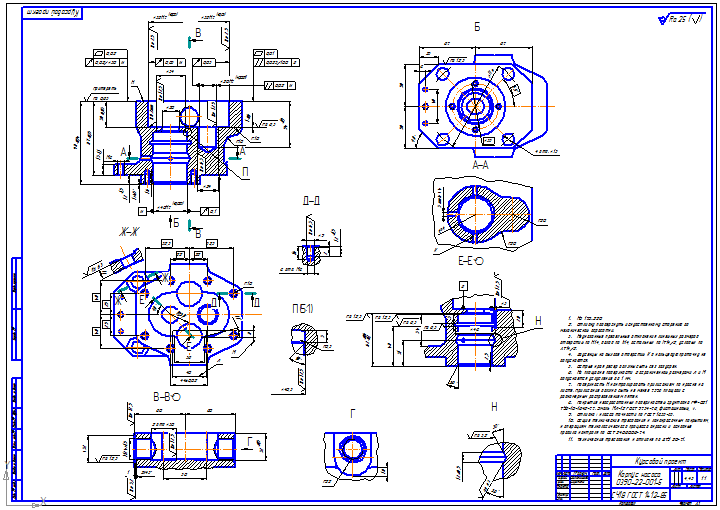
Проектирование типового технологического процесса корпус насоса 0390-22-001-5

0
254
7469
28
1
60

Балаковский инстититут техники технологии и управления филиал СГТУ, Кафедра технология машиностроения, Курсовой проект "Проектирование технологических процессов" На тему:"Типовой технологический процесс изготовления корпуса насоса 0390-22-001-5", Балаково 2014

в данном проекте был произведен анализ группы деталей и разработан типовой технологический проект изготовления Корпус насоса 0390-22-001-5, Курсовой проект содержит 5 листов формата А1 графической части, 59 страниц пояснительной записки. Деталь корпус насоса 0390-22-001-5, является ответственной деталью и входит в сборочную единицу «насос тепловодонагревающий». Топливоподкачивающий насос шестеренчатого типа служит для подачи топлива к топливному фильтру тонкой очистки и далее к топливному насосу высокого давления. В корпусе насоса вращаются ведущее и ведомое зубчатые колёса.


Сообщить о проблеме
Дата
09.02.2015
Язык
Русский
Состав
чертёж детали, чертёж анализа группы деталей, чертёж размерного анализа группы деталей, чертёж операционных эскизов, чертёж приспособления с СП, маршрутные карты, карты наладки, операционные эскизы, пояснительная записка
Софт
КОМПАС-3D 14 Как открыть?
Отзывов пока нет
Задать вопрос
Содержимое архива
      • icon-cdw Марш кар 1 .CDW
      • icon-cdw Марш кар 2 .CDW
      • icon-cdw Марш кар 3 .CDW
      • icon-frw ТИТУЛ .frw
      • icon-cdw 015-1 .CDW
      • icon-cdw 015-2.1.CDW
      • icon-cdw 015-2.2.CDW
      • icon-cdw 020-1 .CDW
      • icon-cdw 020-2.1.CDW
      • icon-cdw 020-2.2.cdw
      • icon-cdw 025-1 .CDW
      • icon-cdw 030-1-А .CDW
      • icon-cdw 030-1-Б .CDW
      • icon-cdw 030-2.2-А.cdw
      • icon-cdw 030-2.2-Б.cdw
      • icon-cdw 015 .cdw
      • icon-cdw 020 .cdw
      • icon-cdw 025.bak.cdw
      • icon-cdw 030 -2.cdw
      • icon-cdw 030 .cdw
    • icon-cdw Анализ гр.cdw.bak.cdw
    • icon-doc Записка изм.docx
    • icon-cdw Корпус насоса.cdw
    • icon-cdw Операционные эскизы 2 Курсовой проект.cdw
    • icon-cdw Приспособа.cdw
    • icon-cdw Размерный анализ.cdw.bak.cdw
    • icon-spw Спецификация.spw
    • icon-cdw операционные эскизы.cdw
Чтобы скачать чертеж, 3D модель или проект, Вы должны зарегистрироваться и принять участие в жизни сайта. Посмотрите, как тут скачивать файлы
Отзывов пока нет
Чтобы оставить отзыв, необходимо войти
Войти с помощью:

Используя функцию входа через сторонние сервисы, Вы соглашаетесь на обработку персональных данных в соответствии с Политикой конфиденциальности