Перейти к содержимому
Войти

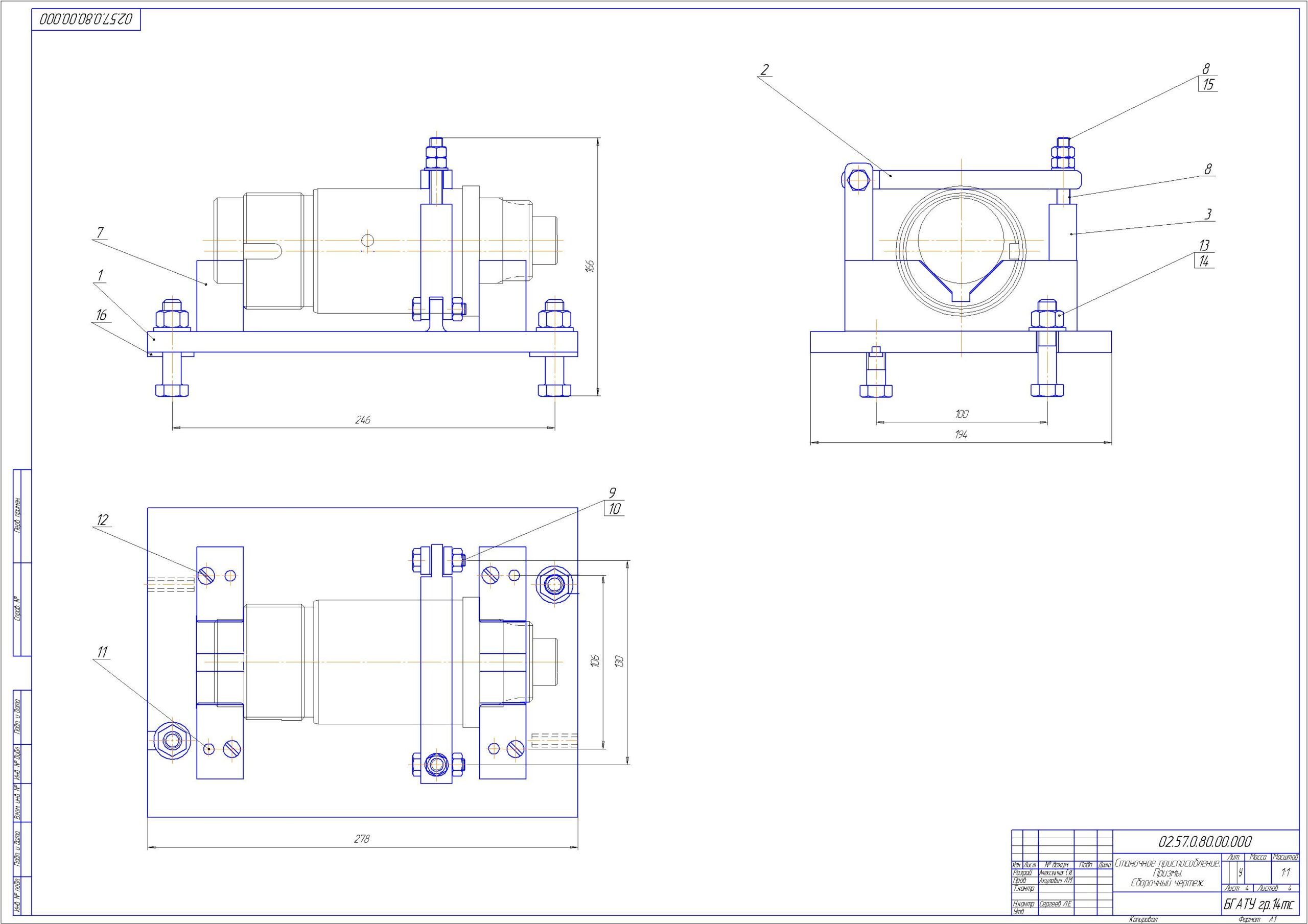
Технология изготовления вала с использованием станочного приспособления (призмы)

0
240
3703
13
0
60

БГАТУ
Кафедра технологии материалов
Курсовой проект по дисциплине "Технология сельскохозяйственного машиностроения"
на тему: Проектирование технологического процесса механической обработки вала промежуточного 50.08.32.017 с использованием станочного приспособления (призмы)
Минск-2005

В курсовом проекте спроектирован технологический процесс механической обработки вала промежуточного 50.08.32.017 с использованием станочного приспособления (призмы), были произведены: выбор и обоснование способов механической обработки; разработка маршрута механической обработки детали; расчет и выбор технологических режимов и норм времени на основные операции механической обработки.


Сообщить о проблеме
Автор
user-avatar Андрей
Дата
09.12.2014
Язык
Русский
Состав
Вал (Рабочий чертеж), Операционные эскизы (ТС) - 2 листа А1, Станочное приспособление (призмы) (СБ), спецификация, комплект документов на технологический процесс изготовления (маршрутная карта, карта эскизов, операционная карта), ПЗ
Софт
КОМПАС-3D 12 SP1 Как открыть?
Отзывов пока нет
Задать вопрос
Содержимое архива
    • icon-frw !!!!!!!!!!!!!!015!!!!!!!!!!.frw
    • icon-frw !!!!!!!!!!!!!!015!!!!!!!!!!015.frw
    • icon-frw !!!!!!!!!!!!!!015!!!!!!!!!!020(4).frw
    • icon-frw !!!!!!!!!!!!!!015!!!!!!!!!!020.frw
    • icon-frw !!!!!!!!!!!!!!015!!!!!!!!!!025.frw
    • icon-frw !!!!!!!!!!!!!!015!!!!!!!!!!030.frw
    • icon-frw !!!!!!!!!!!!!!015!!!!!!!!!!035.frw
    • icon-frw !!!!!!!!!!!!!!015!!!!!!!!!!045.frw
    • icon-frw !!!!!!!!!!!!!!015!!!!!!!!!!050.frw
    • icon-frw !!!!!!!!!!!!!!040!!!!!!!!!!.frw
    • icon-frw !!!!!!!!!!!!010!!!!!!!!!!!!!.frw
    • icon-frw !!!!!!!!!!!!025!!!!!!!!!!!.frw
    • icon-frw !!!!!!!!!!!!030!!!!!!!!!!!.frw
    • icon-frw !!!!!!!!!!!020!!!!!!!!!!.frw
    • icon-frw !!!!!!!!!!!045!!!!!!!!!!!!.frw
    • icon-frw !!!!!!005!!!!!!!!!.frw
    • icon-doc Документ Microsoft Word.doc
    • icon-doc КАРТА МК.doc
    • icon-doc КАРТА ОК1.doc
    • icon-doc КАРТА ОК2.doc
    • icon-doc КАРТА ОК3.doc
    • icon-doc КАРТА ОК4.doc
    • icon-doc КАРТА ОК5.doc
    • icon-doc КАРТА ОК6.doc
    • icon-doc КАРТА ОК7.doc
    • icon-doc КАРТА ОК8.doc
    • icon-doc КАРТА ОК9.doc
    • icon-doc КАРТА ОК10.doc
    • icon-cdw Лист1.cdw
    • icon-cdw Лист2.cdw
    • icon-cdw Лист3.cdw
    • icon-cdw Лист4.cdw
    • icon-doc ПЗ на курсовой.doc
    • icon-spw СП3.spw
    • icon-xls Титульник.xls
Чтобы скачать чертеж, 3D модель или проект, Вы должны зарегистрироваться и принять участие в жизни сайта. Посмотрите, как тут скачивать файлы
Отзывов пока нет
Чтобы оставить отзыв, необходимо войти
Войти с помощью:

Используя функцию входа через сторонние сервисы, Вы соглашаетесь на обработку персональных данных в соответствии с Политикой конфиденциальности