Перейти к содержимому
Войти

ВКР Разработка технологического процесса на изготовление детали «Фланец кулака» и средств технологического оснащения для его реализации

0
1
172
1
0
400

Чебоксарский институт(филиал) Московский политехнический университет
Кафедра Транспортно-энергетических систем
Выпускная квалификационная работа по направлению Конструкторско-технологическое обеспечение машиностроительных производств
На тему: «Разработка технологического процесса на изготовление детали «Фланец кулака» и средств технологического оснащения для его реализации»
Чебоксары 2024

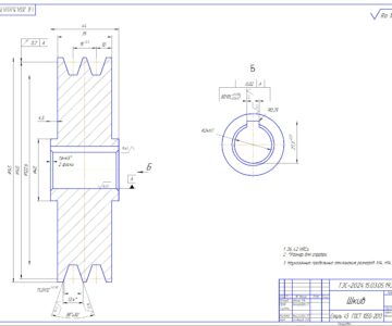
Деталь «Фланец кулака» представляет собой ступенчатый вал–диск, переходящий от большего диаметра к меньшему соотношение диаметров в ступенях Ø174 / Ø65 = 2,68. Данный перепад диаметров уже затрудняет применение метода литья для изготовления заготовки, так как при данном методе в ступени между диаметрами скопятся остаточный температурные напряжения, что в свою очередь приведет к появлению трещин и других дефектов в данном месте. Так как данный переход диаметров в детали работает при больших нагрузках, то поэтому наличие дефектов в данном месте недопустимо. В детали имеется сквозное отверстие. На фланце имеются резьбовые отверстия для присоединения другой детали.
Введение
1 Анализ исходных данных
2 Общий раздел
2.1 Конструкция детали
2.2 Анализ свойств обрабатываемых поверхностей
2.3 Определение типа производства
2.4 Анализ технологичности конструкции детали
2.5 Определение методов получения заготовки
3 Разработка техпроцесса изготовления детали
3.1 Выбор вариантов маршрута обработки и выбор оборудования
3.2 Разработка маршрута обработки и обоснование схем базирования
3.3 Аналитический расчет припусков
3.4 Расчет режимов резания и нормирование
3.5 Расчет погрешности механической обработки
3.6 Организационные вопросы (характер расстановки оборудования, средств автоматизации, межоперационного транспорта)
4 Конструкторская часть
4.1 Проектирование технологической оснастки
4.1.1 Описание и принцип работы устройства
4.1.2 Расчет усилия зажима
4.1.3 Расчет силового привода
4.2 Проектирование режущего инструмента
4.2.1 Проектирование специального инструмента сверла-зенковки
4.3 Проектирование контрольного приспособления для контроля допуска торцового биения
5 Научно исследовательская работа
6 Расчет, компоновка производственного участка
6.1 Расчет трудоемкости и потребного количества оборудования
6.2 Расчет потребного числа работающих
6.3 Определение производственной площади
7 Основные технико-экономические показатели
7.1 Расчет капитальных вложений
7.2 Расчет потребности и стоимости производственной площади участка
7.3 Расчет цеховой себестоимости производства и оптовой цены изделий
7.4 Определение фонда заработной платы
7.5 Расчет затрат при формировании себестоимости производства
7.6 Смета общепроизводственных расходов
8 Охрана труда и безопасность жизнедеятельности. Охрана окружающей среды
Заключение
Список использованной литературы


Сообщить о проблеме
Дата
16.12.2024
Язык
Русский
Состав
ПЗ, ТП, 3D детали Фланец кулака, 3D штамповки Фланец кулака, Деталь «Фланец кулака», Заготовка штамповка, Маршрут обработки детали «Фланец кулака», Карта наладки, Патрон трехкулачковый самоцентрирующий, Сверло-зенковка, Приспособление для контроля допуска торцового биения, Планировка участка и график загрузки оборудования, Научно-исследовательская часть, Технико-экономические показатели
Софт
КОМПАС-3D 16 Как открыть?
Отзывов пока нет
Задать вопрос
Содержимое архива
  • icon-cdw
    Cверло-зенковка.cdw
  • icon-doc
    ВКР Фланец кулака.docx
  • icon-cdw
    Карта наладки 005.cdw
  • icon-cdw
    Контрольное приспособление.cdw
  • icon-cdw
    Маршрут обработки.cdw
  • icon-cdw
    НИР.cdw
  • icon-cdw
    Патрон трехкулачковай самоцентрирующий.cdw
  • icon-cdw
    Планировка.cdw
  • icon-spw
    Спецификация Контр.пр..spw
  • icon-spw
    Спецификация Патрон.spw
  • icon-xls
    ТП Фланец кулака.xls
  • icon-cdw
    Фланец кулака.cdw
  • icon-jpg
    Фланец кулака Деталь.jpg
  • icon-m3d
    Фланец кулака Деталь.m3d
  • icon-cdw
    Фланец кулака Штамповка.cdw
  • icon-jpg
    Фланец кулака Штамповка.jpg
  • icon-m3d
    Фланец кулака Штамповка.m3d
  • icon-cdw
    Экономика.cdw
Чтобы скачать чертеж, 3D модель или проект, Вы должны зарегистрироваться и принять участие в жизни сайта. Посмотрите, как тут скачивать файлы
Отзывов пока нет
Чтобы оставить отзыв, необходимо войти
Войти с помощью:

Используя функцию входа через сторонние сервисы, Вы соглашаетесь на обработку персональных данных в соответствии с Политикой конфиденциальности