Перейти к содержимому
Войти

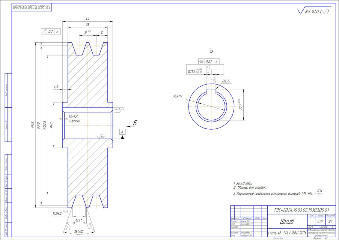
ВКР Разработка технологического процесса на изготовление детали «Шкив» и средств технологического оснащения для его реализации

0
0
18
0
0
300

Чебоксарский институт(филиал) Московский политехнический университет
Кафедра Транспортно-энергетических систем
Выпускная квалификационная работа по направлению Конструкторско-технологическое обеспечение машиностроительных производств
На тему: «Разработка технологического процесса на изготовление детали «Шкив» и средств технологического оснащения для его реализации»
Чебоксары 2024

Представленная в качестве задания на выпускную квалификационную работу деталь «Шкив» является типовой осесимметричной деталью малых габаритов и веса. Подобные детали предназначены для передачи крутящего момента от электродвигателя ко входному валу редуктора или шпинделя оборудования. В качестве передающего элемента в данной конструкции используется клиновые ремни ГОСТ1284-68. Данный вид передач используется при малых межцентровых расстояниях между осями шкивов, значительными крутящими моментами, большими передаточными отношениями и числами оборотов на входном валу 500…3000 об/мин.
Программа выпуска – N = 20000 шт., Материал детали - Сталь 45 ГОСТ 1050-2013
Введение 6
1 Исходные данные для разработки проекта 7
2 Общий раздел 8
2.1 Конструкция детали 8
2.2 Анализ свойств обрабатываемых поверхностей 9
2.3 Определение типа производства 11
3 Разработка техпроцесса изготовления детали 13
3.1 Анализ технологичности конструкции детали 13
3.2 Определение методов получения заготовки 15
3.3 Разработка маршрутных технологий и выбор оборудования 22
3.4 Расчет режимов обработки и норм времени 31
3.5 Расчет погрешности механической обработки 37
3.6 Организационные вопросы (характер расстановки оборудования, средств автоматизации – РТК, межоперационного транспорта, удаления стружки, многостаночного обслуживания и т.д.) 39
3.7 Разработка технологической документации 45
4 Конструкторская часть 46
4.1 Разработка конструкции станочного приспособления 46
4.1.1 Выбор схемы базирования и типа приспособления 46
4.1.2 Силовой расчёт приспособления 47
4.1.3 Расчет приспособления на точность 50
4.2 Разработка режущего инструмента 51
4.3 Разработка средства измерения 55
5 Исследовательская часть 57
5.1 Диагностика режущих инструментов и процесса обработки 57
6 Расчет, компоновка и планировка цеха, участка, поточной линии 68
6.1 Расчет трудоемкости и станкоемкости изготовления детали 68

Введение 6
1 Исходные данные для разработки проекта 7
2 Общий раздел 8
2.1 Конструкция детали 8
2.2 Анализ свойств обрабатываемых поверхностей 9
2.3 Определение типа производства 11
3 Разработка техпроцесса изготовления детали 13
3.1 Анализ технологичности конструкции детали 13
3.2 Определение методов получения заготовки 15
3.3 Разработка маршрутных технологий и выбор оборудования 22
3.4 Расчет режимов обработки и норм времени 31
3.5 Расчет погрешности механической обработки 37
3.6 Организационные вопросы (характер расстановки оборудования, средств автоматизации – РТК, межоперационного транспорта, удаления стружки, многостаночного обслуживания и т.д.) 39
3.7 Разработка технологической документации 45
4 Конструкторская часть 46
4.1 Разработка конструкции станочного приспособления 46
4.1.1 Выбор схемы базирования и типа приспособления 46
4.1.2 Силовой расчёт приспособления 47
4.1.3 Расчет приспособления на точность 50
4.2 Разработка режущего инструмента 51
4.3 Разработка средства измерения 55
5 Исследовательская часть 57
5.1 Диагностика режущих инструментов и процесса обработки 57
6 Расчет, компоновка и планировка цеха, участка, поточной линии 68
6.1 Расчет трудоемкости и станкоемкости изготовления детали 68

6.2 Расчет потребного количества основного и вспомогательного оборудования 68
6.3 Расчет численности работающих 70
6.4 Определение состава и расчет площадей (производственные и вспомогательные площади, административно-бытовые помещения) 72
7 Экономика производства 74
7.1 Расчет стоимости основных фондов, материалов, энергии, инструментов, фонда заработной платы 74
7.2 Смета цеховых расходов, затрат на производство 75
7.3 Калькуляция себестоимости продукции 77
8 Охрана труда (техника безопасности, противопожарная безопасность, промышленная санитария) и окружающей среды (экологичность производства) 79
Заключение 85
Библиографический список 86


Сообщить о проблеме
Дата
14.01.2026
Язык
Русский
Состав
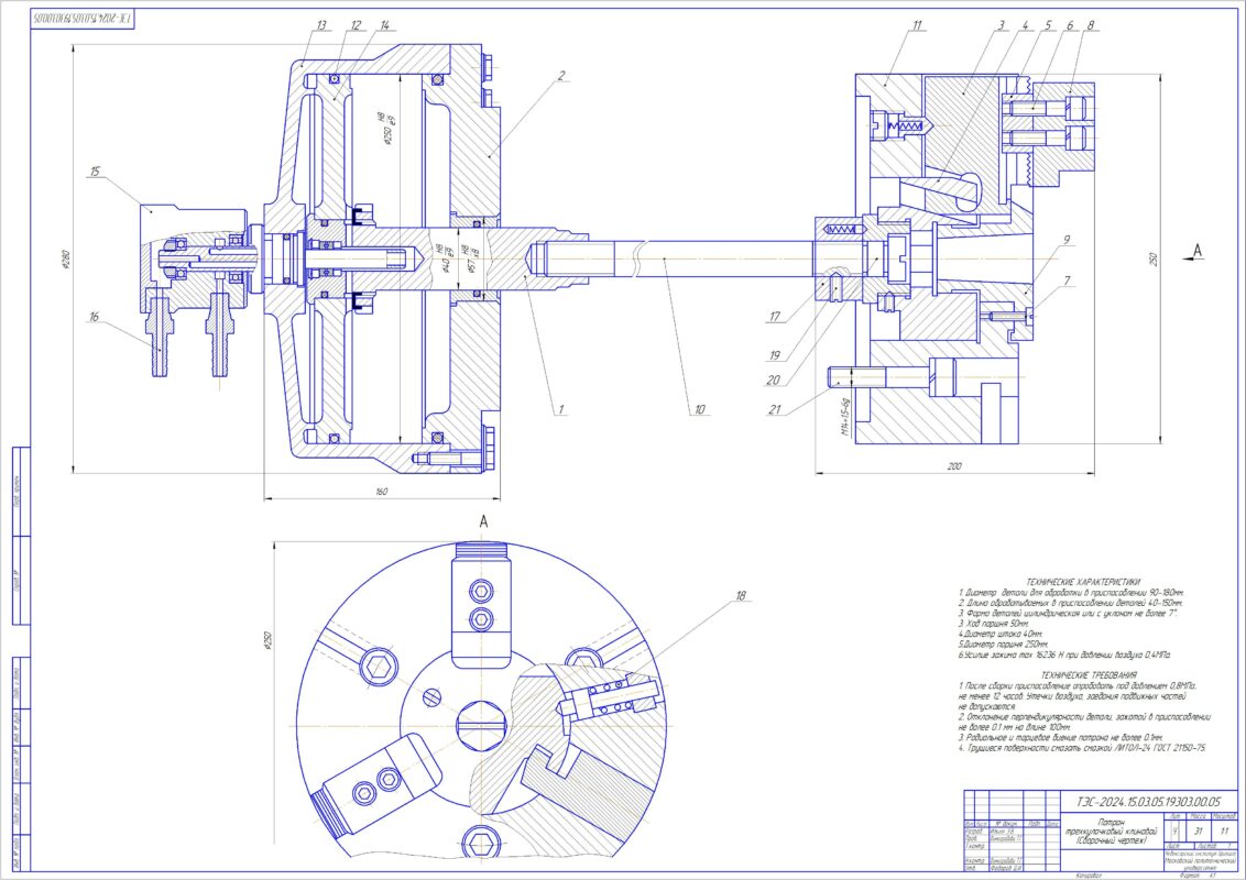
ПЗ, ТП, 3D детали Шкив, 3D штамповки Шкив, Деталь «Шкив», Заготовка штамповка, Маршрут обработки детали «Шкив», Карта наладки, Патрон трехкулачковый клиновый, Протяжка шпоночная, Калибр-пробка, Планировка участка и график загрузки оборудования, Научно-исследовательская часть, Технико-экономические показатели
Софт
КОМПАС-3D 16.1 Как открыть?
Отзывов пока нет
Задать вопрос
Содержимое архива
  • icon-doc
    ВКР Шкив.docx
  • icon-cdw
    Калибр-пробка.cdw
  • icon-spw
    Калибр-пробка СП.spw
  • icon-cdw
    Карта наладки.cdw
  • icon-cdw
    Маршрут обработки.cdw
  • icon-cdw
    НИР.cdw
  • icon-cdw
    Планировка.cdw
  • icon-cdw
    Протяжка шпоночная.cdw
  • icon-cdw
    Спецификация Патрон.cdw
  • icon-xls
    ТП Шток.xls
  • icon-cdw
    Шкив (Штамповка).cdw
  • icon-m3d
    Шкив (Штамповка).m3d
  • icon-cdw
    Шкив.cdw
  • icon-m3d
    Шкив.m3d
  • icon-cdw
    Экономика.cdw
  • icon-cdw
    загрузка.cdw
Чтобы скачать чертеж, 3D модель или проект, Вы должны зарегистрироваться и принять участие в жизни сайта. Посмотрите, как тут скачивать файлы
Отзывов пока нет
Чтобы оставить отзыв, необходимо войти
Войти с помощью:

Используя функцию входа через сторонние сервисы, Вы соглашаетесь на обработку персональных данных в соответствии с Политикой конфиденциальности