Перейти к содержимому
Войти

Проектирование автоматизированного электропривода (момент сопротивления на валу механизма 100 Нм.)

0
0
10
0
0
70

Министерство общего и профессионального образования Российской Федерации
Уфимский Государственный Авиационный Технический Университет
Кафедра АТС
КУРСОВОЙ ПРОЕКТ
по дисциплине “ Электромеханические системы управления ”
на тему: Проектирование автоматизированного электропривода

В ходе работы необходимо:
1. Выбрать тип и рассчитать требуемую мощность электродвигателя с учетом переходных процессов при пуске, торможении и изменении режимов работы двигателя.
2. В соответствии с исходными данными выбрать тип преобразователя /4,5/.
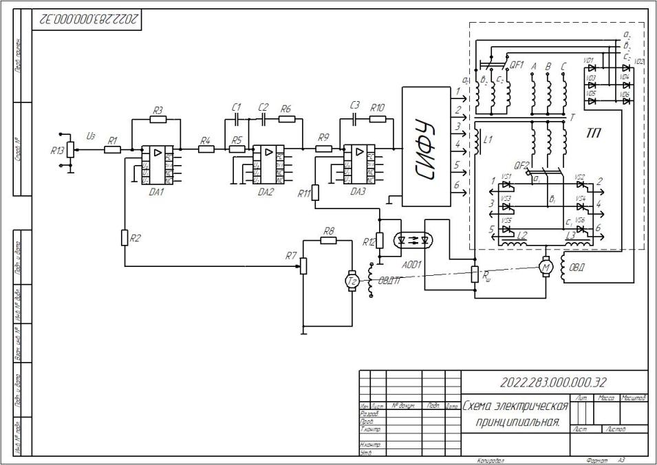
3. Разработать принципиальную схему силовой части электропривода.
4. По паспортным данным , принципиальной схеме и характеристикам рассчитать передаточные функции всех элементов электропривода и составить его структурную схему.
5. Исследовать устойчивость и качество переходных процессов.

Исходные данные:
- Момент сопротивления на валу механизма 100 Нм.
- Момент инерции механизма 2 кгм2.
- Минимальное время цикла работы 30 с.
- Диапазон регулирования скорости 100.
- Максимальная скорость вращения механизма 900 об/мин.
- Статическая погрешность поддержания 2,5 %.
- Максимальный коэффициент относительной продолжительности цикла 0,9.

Содержание:
1.Задание
2.Исходные данные
3.Выбор электродвигателя
4. Технические данные на элементы электропривода
5. Расчет механической и электромеханической характеристик двигателя
6. Расчет статических характеристик
6.1 Расчет сопротивления якорной цепи
6.2 Определение коэффициента усиления разомкнутой системы
7. Передаточная функция электродвигателя
7.1 Передаточная функция электродвигателя, как единого блока
7.2 Электрическая часть двигателя
7.3 Механическая часть двигателя
8. Передаточная функция тиристорного преобразователя
9. Передаточные функции датчиков обратной связи
9.1 Передаточная функция датчика скорости
9.2 Передаточная функция датчика тока
10. Определение параметров корректирующих устройств
10.1 Расчет регулятора тока
10.2 Расчет регулятора скорости
11. Оценка качества регулирования по кривым переходного процесса
Список литературы


Сообщить о проблеме
Автор
user-avatar Андрей
Дата
29.01.2026
Язык
Русский
Состав
Пояснительная записка, Чертеж, Спецификация
Софт
КОМПАС-3D 22 Как открыть?
Отзывов пока нет
Задать вопрос
Содержимое архива
  • icon-doc Пояснительная записка.doc
  • icon-doc Спецификация.doc
  • icon-cdw Чертеж.cdw
Чтобы скачать чертеж, 3D модель или проект, Вы должны зарегистрироваться и принять участие в жизни сайта. Посмотрите, как тут скачивать файлы
Отзывов пока нет
Чтобы оставить отзыв, необходимо войти
Войти с помощью:

Используя функцию входа через сторонние сервисы, Вы соглашаетесь на обработку персональных данных в соответствии с Политикой конфиденциальности