Перейти к содержимому
Войти

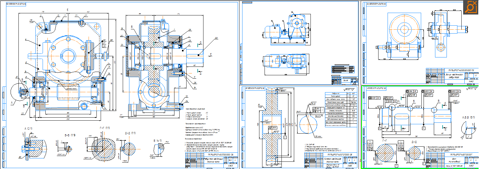
Привод с 1-ступенчатым червячным редуктором с нижним червяком (uобщ=31,724)

0
0
248
6
0
20

КАЗАНСКИЙ (ПРИВОЛЖСКИЙ) ФЕДЕРАЛЬНЫЙ УНИВЕРСИТЕТ (КФУ)
Кафедра «Механика и конструирование»
Курсовой проект по курсу «Механика и детали машин»
На тему: "Привод с 1-ступенчатым червячным редуктором"
Казань 2021

Исходные данные (техническая характеристика):
1. Мощность на тихоходном валу Р2 = 0,9 кВт;
2. Частота вращения тихоходного вала n2 = 29 об/мин;
3. Заданная долговечность редуктора Lh = 16000 часов;

Разработать:
1. Сборочный чертеж редуктора;
2. Рабочие чертежи: тихоходный вал, колесо;
3. Чертеж общего вида привода.

Оглавление
Введение 4
1 Выбор двигателя, кинематический расчет привода 5
2. Расчет червячной передачи 7
3. Нагрузки валов редуктора 11
4. Проектный расчет валов редуктора. 13
5. Расчетная схема валов редуктора 15
6. Проверочный расчет подшипников 16
7. Проверка прочности шпоночных соединений 21
8. Проверочный расчет валов на статическую и усталостную прочность….22
9. Конструктивная компоновка привода 25
10. Тепловой расчет редуктора 28
11. Технический уровень редуктор 29
Заключение 30
Литература 31


Сообщить о проблеме
Дата
28.12.2021
Язык
Русский
Состав
Редуктор (СБ), Привод (ВО), Вал ведомый, Колесо червячное, Эскиз, Спецификации, ПЗ
Софт
КОМПАС-3D 19 Как открыть?
Отзывов пока нет
Задать вопрос
Содержимое архива
    • icon-cdw Вал тихоходный.cdw
    • icon-cdw Колесо червячное.cdw
    • icon-cdw Привод.cdw
    • icon-spw Привод СП.spw
    • icon-cdw Сборочный.cdw
    • icon-spw Спецификация редуктор.spw
    • icon-cdw Эскиз.cdw
    • icon-doc расчет 4б.docx
Чтобы скачать чертеж, 3D модель или проект, Вы должны зарегистрироваться и принять участие в жизни сайта. Посмотрите, как тут скачивать файлы
Отзывов пока нет
Чтобы оставить отзыв, необходимо войти
Войти с помощью:

Используя функцию входа через сторонние сервисы, Вы соглашаетесь на обработку персональных данных в соответствии с Политикой конфиденциальности