Перейти к содержимому
Войти

Редуктор червячный uпривода=84.1

0
235
1695
3
0
40

МГТУ им Н.Э. Баумана
Кафедра "Детали машин"
Курсовой проект по дисциплине "Детали машин"
Москва 2014

Целью выполнения курсового проекта является спроектировать привод ленточного транспортера.
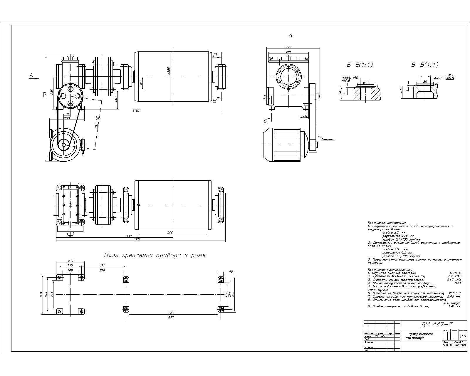
Составными частями привода являются электродвигатель, ременная передача с натяжным устройством, червячный редуктор, муфта и сварная рама для их крепления.
Устройство привода следующее: вращающий момент передается с электродвигателя на входной вал редуктора с помощью ременной передачи; с выходного вала редуктора через упругую муфту на приводной вал.
Требуется выполнить необходимые расчеты, выбрать наилучшие параметры схемы и разработать конструкторскую документацию, предназначенную для изготовления привода:
- чертеж общего вида червячного редуктора (на стадии эскизного проекта);
- сборочный чертеж редуктора (на стадии технического проекта);
- рабочие чертежи деталей редуктора;
- чертеж общего вида упругой муфты;
- чертеж общего вида привода;
- расчетно-пояснительную записку и спецификации;
Курсовой проект содержит 5 листов формата А1 графической части, 47 страниц пояснительной записки.
Техническая характеристика
1. Окружная сила на барабане - 6300 H
2. Двигатель АИР100L2: мощность - 5.5 кВт
3. Скорость ленты транспортера - 0.63 м/c
4. Общее передаточное число привода - 84.1
5. Частота вращения вала электродвигателя - 2850 об/мин
6. Нагрузка на ветвь для контроля натяжения - 32.60 Н
7. Стрела прогиба под контрольной нагрузкой - 5.46 мм
8. Отклонение осей шкивов от параллельности - 20,0 минут
9. Осевое смещение шкивов не более - 1.41 мм


Сообщить о проблеме
Автор
user-avatar Сергей
Дата
27.10.2015
Язык
Русский
Состав
Привод ленточного транспортера (ВО), Редуктор (СБ), Муфта (СБ), Деталировка (вал, шкив), Спецификация, ПЗ
Софт
AutoCAD 2013 Как открыть?
Отзывов пока нет
Задать вопрос
Содержимое архива
  • icon-doc РПЗ.docx
  • icon-jpg Чертеж2-Model.jpg
  • icon-dwg Чертёж2.dwg
Чтобы скачать чертеж, 3D модель или проект, Вы должны зарегистрироваться и принять участие в жизни сайта. Посмотрите, как тут скачивать файлы
Отзывов пока нет
Чтобы оставить отзыв, необходимо войти
Войти с помощью:

Используя функцию входа через сторонние сервисы, Вы соглашаетесь на обработку персональных данных в соответствии с Политикой конфиденциальности