Перейти к содержимому
Войти

Разработка, эксплуатация и обслуживание электрооборудования фрезерного станка

0
0
48
0
0
100

ГОСУДАРСТВЕННОЕ АВТОНОМНОЕ ПРОФЕССИОНАЛЬНОЕ ОБРАЗОВАТЕЛЬНОЕ УЧРЕЖДЕНИЕ ЧУВАШСКОЙ РЕСПУБЛИКИ
КАНАШСКИЙ ТРАНСПОРТНО-ЭНЕРГЕТИЧЕСКИЙ ТЕХНИКУМ
МИНИСТЕРСТВО ОБРАЗОВАНИЯ ЧУВАШСКОЙ РЕСПУБЛИКИ
ВЫПУСКНАЯ КВАЛИФИКАЦИОННАЯ РАБОТА
Специальность: 13.02.11 Техническая эксплуатация и обслуживание электрического и электромеханического оборудования (по отраслям)
Дипломная работа на тему:
Разработка, эксплуатация и обслуживание электрооборудования фрезерного станка
, 2025 год

Исходные данные: материал изделия – чугун НВ 190
Длина изделия – 0,55 м
Фреза D=50мм
Операция – черновое фрезерование
T=5мм
Перечень технических решений, подлежащих разработке по заказу предприятия или образовательной организации:
- Расчет по выбору электродвигателя главного привода фрезерного станка;
- Расчет по выбору аппаратов защиты марки кабеля питания;
- Разработать перечень работ в период технического обслуживания электрооборудования фрезерного станка.
Содержание графических работ:
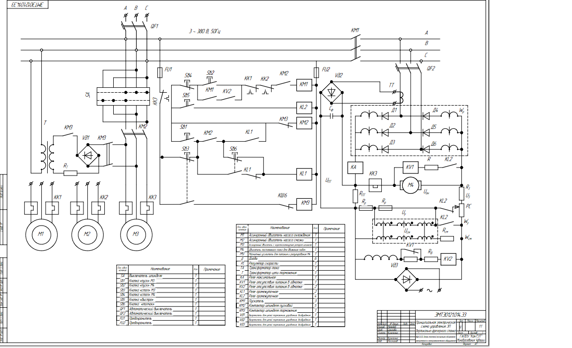
Лист 1. Принципиальная электрическая схема управления ЭП вертикально-фрезерного станка (формат А1)

СОДЕРЖАНИЕ

Введение 3
Глава 1. Устройство и типы фрезерных станков 5
1.1. Краткая характеристика механизма станка 5
1.2. Разработка электрической схемы управления ЭП вертикально-фрезерного станка 8
Глава 2. Эксплуатация и обслуживание электрооборудования фрезерного станка 14
2.1 Эксплуатация электрооборудования станка 14
2.2 Техническое обслуживание оборудования 15
Глава 3. Выбор электрооборудования для привода главного движения обрабатывающего центра 18
3.1 Выбор электродвигателя 18
3.2 Выбор автоматического выключателя 21
3.3 Выбор магнитных пускателей 23
Глава 4. Охрана труда 25
4.1 Общие требования охраны труда 25
4.2 Требования охраны труда перед началом работ 26
4.3 Требования охраны труда во время работы 29
4.4 Требования охраны труда в аварийных ситуациях 30
4.5 Требования охраны труда по окончании работ 32
Заключение 34
Список использованных источников 35
Приложение 1. Принципиальная электрическая схема управления ЭП вертикально-фрезерного станка (формат А1) 38


Сообщить о проблеме
Автор
user-avatar user-1420626
Дата
03.11.2025
Язык
Русский
Состав
пз, схема, презентация, доклад
Софт
КОМПАС-3D 17 Как открыть?
Отзывов пока нет
Задать вопрос
Содержимое архива
  • icon-doc
    Диплом.docx
  • icon-cdw
    Мамедов чертеж.cdw
  • icon-pdf
    Мамедов чертеж.pdf
  • icon-ppt
    Презентация (3).pptx
  • icon-doc
    доклад.docx
Чтобы скачать чертеж, 3D модель или проект, Вы должны зарегистрироваться и принять участие в жизни сайта. Посмотрите, как тут скачивать файлы
Отзывов пока нет
Чтобы оставить отзыв, необходимо войти
Войти с помощью:

Используя функцию входа через сторонние сервисы, Вы соглашаетесь на обработку персональных данных в соответствии с Политикой конфиденциальности