Перейти к содержимому
Войти

Режущий инструмент (резец, долбяк, метчик)

0
317
10127
20
0
30

Барановичский государственный университет
Кафедра технологии машиностроения
Режущий инструмент
проектирование режущих инструментов
2014

СОДЕРЖАНИЕ
ВВЕДЕНИЕ……………………………………………………………………. …...6
1. ПРОЕКТИРОВАНИЕ ПРИЗМАТИЧЕСКОГО ФАСОННОГО РЕЗЦА…………………………………………………………………………….7
1.1 Назначение инструмента……………………………………………………......7
1.2Выбор и обоснование инструментального материала……………………........9
1.3 Разработка схемы резания……………………………………………………..10
1.4 Расчет конструкции и геометрии режущего инструмента…………………..11
1.5 Разработка технических требований………………………………………….15
1.6 Разработка присоединительной части инструмента…………………………16
1.7 Выбор оборудования и вспомогательного инструмента…………………….18
1.8 Заточка инструмента…………………………………………………………18
2. ПРОЕКТИРОВАНИЕ ЧАШЕЧНОГО ДОЛБЯКА ………………….. ….21
2.1 Назначение инструмента………………………………………………………21
2.2Выбор и обоснование инструментального материала………………………..22
2.3 Разработка схемы резания……………………………………………………..23
2.4 Расчет конструкции и геометрии режущего инструмента…………………..24
2.5 Разработка технических требований………………………………………….30
2.6 Разработка присоединительной части инструмента…………………………31
2.7 Выбор оборудования и вспомогательного инструмента…………………….32
2.8 Заточка инструмента…………………………………………………………...32
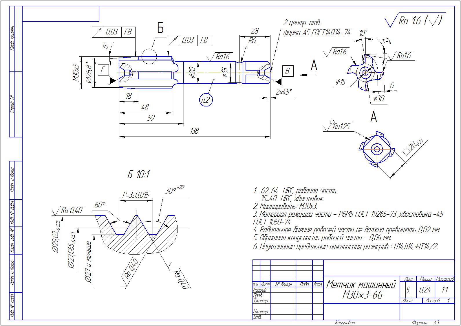
3. ПРОЕКТИРОВАНИЕ МАШИННОГО МЕТЧИКА……………..………...34
3.1 Назначение инструмента………………………………………………………34
3.2Выбор и обоснование инструментального материала………………………..35
3.3 Разработка схемы резания……………………………………………………..36

3.4 Расчет конструкции и геометрии режущего инструмента…………………..37
3.5 Разработка технических требований………………………………………….41
3.6 Разработка присоединительной части инструмента…………………………44
3.7 Выбор оборудования и вспомогательного инструмента…………………….46
3.8 Заточка инструмента…………………………………………………………...46

ЗАКЛЮЧЕНИЕ……………………………………………………………..…….48
СПИСОК ИСПОЛЬЗОВАННЫХ ИСТОЧНИКОВ………………..…………49


Сообщить о проблеме
Автор
user-avatar buzavv
Дата
19.09.2014
Язык
Русский
Состав
Чертежи фасонного резца, долбяка, метчика. ПЗ
Софт
КОМПАС-3D 13 Как открыть?
Отзывов пока нет
Задать вопрос
Содержимое архива
    • icon-cdw Долбяк чашечный прямозубый М6 .cdw
    • icon-cdw Метчик машинный М30-3-6G .cdw
    • icon-doc ФАС призм РЕЗ+Чаш Долбяк+Маш Метчик.doc
    • icon-cdw резец фасонный призматический.cdw
Чтобы скачать чертеж, 3D модель или проект, Вы должны зарегистрироваться и принять участие в жизни сайта. Посмотрите, как тут скачивать файлы
Отзывов пока нет
Чтобы оставить отзыв, необходимо войти
Войти с помощью:

Используя функцию входа через сторонние сервисы, Вы соглашаетесь на обработку персональных данных в соответствии с Политикой конфиденциальности